Цилиндрические редукторы UD-F(FA, FF, FAF) (UD-F-157) | Казань
Цена по запросу
UD-F-157
Характеристики
Условное обозначение:

1. Модель редуктора
(F-исполнение на лапах с цельным валом,
FA - исполнение на лапах с полым валом,
FH - исполнение с полым валом и стяжной муфтой,
FF - исполнение на фланце с цельным валом,
FAF - исполнение на фланце с полым валом,
FHF - исполнение с полым валом на фланце со стяжной муфтой,
FZ - исполнение с малым фланцем).
2. Габарит редуктора (37,47,57,67,77, 87, 97,107,127,157).
3. Исполнение с резиновым амортизатором.
4. Передаточное число.
5. (PAM 28/250)
28- диаметр полого входного вала редуктора (мм),
250- наружный диаметр входного фланца редуктора (мм).
6. Монтажная позиция редуктора (M1, M2, M3, M4, M5, M6).
Вес редуктора: 610 кг
Габаритные и присоединительные размеры:
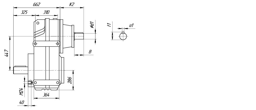
UD-F157 исполнение с входным цилиндрическим валом
UD-F157...
Цельный выходной вал
UD-FAB157...
Полый выходной вал
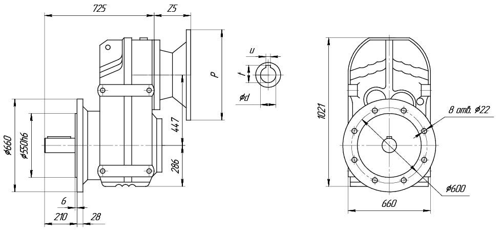
UD-FF157...
Цельный выходной вал
UD-FAF157...
Полый выходной вал
UD-FA157...
Полый выходной вал
UD-FA...157/G...
Присоединительные размеры под электродвигатель
| Исполнение 1 | Исполнение 2 | Исполнение 3 | Исполнение 4 | |
| Р,мм | 300 | 350 | 400 | 450 |
| Z5,мм | 90 | 125 | 145 | 145 |
Таблица подбора редуктора
| Мощность, кВт | Частота вращения выходного вала, об/мин | Передаточное число | Крутящий момент, Нм | Допустимая радиальная нагрузка, Н | Сервис- фактор | Частота вращения эл.двигателя |
| 5,5 | 2,6 | 267,43 | 19800 | 94600 | 0,9 | 700 |
| 3,2 | 217,62 | 16100 | 105500 | 1,1 | ||
| 3,9 | 178,2 | 13200 | 111900 | 1,35 | ||
| 4,3 | 162,96 | 12100 | 114000 | 1,5 | ||
| 5 | 141,8 | 10500 | 116600 | 1,7 | ||
| 5,6 | 125,14 | 9260 | 118300 | 1,95 | ||
| 6,5 | 108,49 | 8030 | 119700 | 2,2 | ||
| 7,3 | 96,53 | 7140 | 120000 | 2,5 | ||
| 8,2 | 85,8 | 6350 | 120000 | 2,8 | ||
| 9 | 78,46 | 5800 | 120000 | 3,1 | ||
| 10,3 | 68,28 | 5050 | 120000 | 3,6 | ||
| 7,5 | 3,2 | 217,62 | 21600 | 87600 | 0,85 | |
| 3,9 | 178,2 | 17700 | 101100 | 1 | ||
| 4,3 | 162,96 | 16200 | 105200 | 1,1 | ||
| 5 | 141,8 | 14100 | 110100 | 1,3 | ||
| 5,6 | 125,14 | 12400 | 113300 | 1,45 | ||
| 6,5 | 108,49 | 10800 | 116100 | 1,65 | ||
| 7,3 | 96,53 | 9600 | 117800 | 1,85 | ||
| 8,2 | 85,8 | 8530 | 119200 | 2,1 | ||
| 9 | 78,46 | 7810 | 120000 | 2,3 | ||
| 10,3 | 68,28 | 6790 | 120000 | 2,7 | ||
| 11,6 | 60,25 | 5990 | 120000 | 3 | ||
| 13,4 | 52,24 | 5200 | 120000 | 3,5 | ||
| 15,1 | 46,48 | 4620 | 120000 | 3,9 | ||
| 17,5 | 40,06 | 3980 | 120000 | 4,5 | ||
| 3,4 | 267,43 | 20000 | 94000 | 0,9 | 900 | |
| 4,1 | 217,62 | 16200 | 105100 | 1,1 | ||
| 5,1 | 178,2 | 13300 | 111700 | 1,35 | ||
| 5,5 | 162,96 | 12200 | 113800 | 1,5 | ||
| 6,4 | 141,8 | 10600 | 116400 | 1,7 | ||
| 7,2 | 125,14 | 9340 | 118200 | 1,95 | ||
| 8,3 | 108,49 | 8090 | 119700 | 2,2 | ||
| 9,3 | 96,53 | 7200 | 120000 | 2,5 | ||
| 10,5 | 85,8 | 6400 | 120000 | 2,8 | ||
| 11,5 | 78,46 | 5850 | 120000 | 3,1 | ||
| 13,2 | 68,28 | 5090 | 120000 | 3,5 | ||
| 15 | 60,25 | 4500 | 120000 | 4 | ||
| 17,2 | 52,24 | 3900 | 193000 | 4,6 | ||
| 11 | 5 | 141,8 | 20700 | 91300 | 0,85 | 700 |
| 5,6 | 125,14 | 18300 | 99500 | 1 | ||
| 6,5 | 108,49 | 15800 | 106100 | 1,15 | ||
| 7,3 | 96,53 | 14100 | 110100 | 1,3 | ||
| 5,1 | 178,2 | 19500 | 95500 | 0,9 | 900 | |
| 5,5 | 162,96 | 17800 | 100800 | 1 | ||
| 6,4 | 141,8 | 15500 | 106900 | 1,15 | ||
| 7,2 | 125,14 | 13700 | 110900 | 1,3 | ||
| 8,3 | 108,49 | 11900 | 114300 | 1,5 | ||
| 9,3 | 96,53 | 10600 | 116400 | 1,7 | ||
| 10,5 | 85,8 | 9390 | 118100 | 1,9 | ||
| 11,5 | 78,46 | 8590 | 119100 | 2,1 | ||
| 5,2 | 267,43 | 19500 | 95500 | 0,9 | 1400 | |
| 6,5 | 217,62 | 15900 | 106000 | 1,15 | ||
| 7,9 | 178,2 | 13000 | 112300 | 1,4 | ||
| 8,6 | 162,96 | 11900 | 114300 | 1,5 | ||
| 10 | 141,8 | 10300 | 116800 | 1,75 | ||
| 11,2 | 125,14 | 9130 | 118400 | 1,95 | ||
| 13 | 108,49 | 7910 | 119900 | 2,3 | ||
| 14,5 | 96,53 | 7040 | 120000 | 2,6 | ||
| 16,3 | 85,8 | 6260 | 118100 | 2,9 | ||
| 17,8 | 78,46 | 5720 | 115700 | 3,1 | ||
| 21 | 68,28 | 4980 | 112000 | 3,6 | ||
| 15 | 6,4 | 141,8 | 20900 | 90400 | 0,85 | 900 |
| 7,2 | 125,14 | 18500 | 98800 | 0,95 | ||
| 8,3 | 108,49 | 16000 | 105700 | 1,1 | ||
| 9,3 | 96,53 | 14300 | 109800 | 1,25 | ||
| 10,5 | 85,8 | 12700 | 112900 | 1,4 | ||
| 6,5 | 217,62 | 12400 | 88800 | 0,85 | 1400 | |
| 7,9 | 178,2 | 17500 | 101800 | 1,05 | ||
| 8,6 | 162,96 | 16000 | 105700 | 1,15 | ||
| 10 | 141,8 | 13900 | 110500 | 1,3 | ||
| 11,2 | 125,14 | 12300 | 113600 | 1,45 | ||
| 13 | 108,49 | 10600 | 116300 | 1,7 | ||
| 14,5 | 96,53 | 9470 | 115800 | 1,9 | ||
| 16,3 | 85,8 | 8420 | 113200 | 2,1 | ||
| 17,8 | 78,46 | 7700 | 111200 | 2,3 | ||
| 21 | 68,28 | 6700 | 108000 | 2,7 | ||
| 23 | 60,25 | 5910 | 105100 | 3 | ||
| 18,5 | 7,9 | 178,2 | 21500 | 88200 | 0,85 | |
| 8,6 | 162,96 | 19700 | 95000 | 0,9 | ||
| 10 | 141,8 | 17100 | 102800 | 1,05 | ||
| 11,2 | 125,14 | 15100 | 107900 | 1,2 | ||
| 13 | 108,49 | 13100 | 112100 | 1,4 | ||
| 14,5 | 96,53 | 11600 | 111300 | 1,55 | ||
| 16,3 | 85,8 | 10300 | 109300 | 1,75 | ||
| 17,8 | 78,46 | 9460 | 107600 | 1,9 | ||
| 21 | 68,28 | 8230 | 104900 | 2,2 | ||
| 23 | 60,25 | 7270 | 102300 | 2,5 | ||
| 27 | 52,24 | 6300 | 99300 | 2,9 | ||
| 22 | 9,3 | 96,53 | 20900 | 90500 | 0,85 | 900 |
| 10,5 | 85,8 | 18600 | 98500 | 0,95 | ||
| 11,5 | 78,46 | 17000 | 103100 | 1,05 | ||
| 13,2 | 68,28 | 14800 | 107700 | 1,2 | ||
| 10 | 141,8 | 20300 | 92600 | 0,9 | 1400 | |
| 11,2 | 125,14 | 17900 | 100400 | 1 | ||
| 13 | 108,49 | 15600 | 106800 | 1,15 | ||
| 14,5 | 96,53 | 13800 | 106900 | 1,3 | ||
| 16,3 | 85,8 | 12300 | 105400 | 1,45 | ||
| 17,8 | 78,46 | 11300 | 104000 | 1,6 | ||
| 21 | 68,28 | 9790 | 101700 | 1,85 | ||
| 23 | 60,25 | 8640 | 99600 | 2,1 | ||
| 27 | 52,24 | 7490 | 97000 | 2,4 | ||
| 30 | 46,48 | 6660 | 94800 | 2,7 | ||
| 35 | 40,06 | 5740 | 91900 | 3,1 | ||
| 43 | 32,55 | 4670 | 97800 | 3,9 | ||
| 30 | 13 | 108,49 | 21100 | 89600 | 0,85 | 1400 |
| 14,5 | 96,53 | 18800 | 96900 | 0,95 | ||
| 16,3 | 85,8 | 16700 | 96400 | 1,1 | ||
| 17,8 | 78,46 | 15300 | 95800 | 1,2 | ||
| 21 | 68,28 | 13300 | 94600 | 1,35 | ||
| 23 | 60,25 | 11700 | 93300 | 1,55 | ||
| 27 | 52,24 | 10200 | 91500 | 1,75 | ||
| 30 | 46,48 | 9060 | 89900 | 2 | ||
| 35 | 40,06 | 7810 | 87700 | 2,3 | ||
| 37 | 21 | 68,28 | 20000 | 81300 | 0,9 | 1400 |
| 23 | 60,25 | 17600 | 81600 | 1 | ||
| 27 | 52,24 | 15300 | 81300 | 1,2 | ||
| 30 | 46,48 | 13600 | 80900 | 1,3 | ||
| 35 | 40,06 | 11700 | 79900 | 1,55 | ||
| 43 | 32,55 | 9510 | 78000 | 1,9 | ||
| 51 | 27,6 | 8070 | 76200 | 2,2 | ||
| 55 | 23 | 60,25 | 21500 | 73800 | 0,85 | 1400 |
| 27 | 52,24 | 18600 | 74600 | 0,95 | ||
| 30 | 46,48 | 16500 | 74800 | 1,1 | ||
| 35 | 40,06 | 14300 | 74700 | 1,25 | ||
| 43 | 32,55 | 11600 | 73800 | 1,55 | ||
| 51 | 27,6 | 9830 | 72600 | 1,85 | ||
| 49 | 28,6 | 10200 | 72900 | 1,65 | ||
| 55 | 25,43 | 9060 | 71600 | 1,65 | ||
| 63 | 22,16 | 7890 | 70600 | 2,3 | ||
| 71 | 19,77 | 7040 | 69400 | 2,4 | ||
| 83 | 16,85 | 6000 | 67600 | 3 | ||
| 75 | 30 | 46,48 | 22500 | 62900 | 0,8 | 1400 |
| 35 | 40,06 | 19400 | 64400 | 0,95 | ||
| 43 | 32,55 | 15800 | 65400 | 1,15 | ||
| 51 | 27,6 | 13400 | 65500 | 1,35 | ||
| 49 | 28,6 | 13800 | 65500 | 1,25 | ||
| 55 | 25,43 | 12300 | 65400 | 1,2 | ||
| 63 | 22,16 | 10700 | 64900 | 1,7 | ||
| 71 | 19,77 | 9570 | 64300 | 1,8 | ||
| 83 | 16,85 | 8150 | 63200 | 2,2 | ||
| 100 | 13,96 | 6760 | 61600 | 2,5 | ||
| 118 | 11,92 | 5770 | 60100 | 2,8 | ||
| 90 | 43 | 32,55 | 18900 | 59100 | 0,95 | 1400 |
| 51 | 27,6 | 16000 | 60200 | 1,1 | ||
| 49 | 28,6 | 16600 | 60000 | 1 | ||
| 55 | 25,43 | 14800 | 60400 | 1 | ||
| 63 | 22,16 | 12900 | 60600 | 1,4 | ||
| 71 | 19,77 | 11500 | 60500 | 1,5 | ||
| 83 | 16,85 | 9790 | 59900 | 1,85 | ||
| 100 | 13,96 | 8110 | 58900 | 2,1 | ||
| 118 | 11,92 | 6920 | 57800 | 2,3 | ||
| 110 | 51 | 27,6 | 19500 | 53100 | 0,9 | 1400 |
| 63 | 22,16 | 15700 | 54900 | 1,15 | ||
| 71 | 19,77 | 14000 | 55400 | 1,2 | ||
| 83 | 16,85 | 11900 | 55600 | 1,5 | ||
| 100 | 13,96 | 9880 | 55300 | 1,7 | ||
| 118 | 11,92 | 8430 | 54700 | 1,9 | ||
| 132 | 63 | 22,16 | 18800 | 48700 | 0,95 | 1400 |
| 71 | 19,77 | 16800 | 49800 | 1 | ||
| 83 | 16,85 | 14300 | 50900 | 1,25 | ||
| 100 | 13,96 | 11900 | 51400 | 1,45 | ||
| 118 | 11,92 | 10100 | 51400 | 1,6 | ||
| 160 | 83 | 16,85 | 17300 | 44800 | 1,05 | 1400 |
| 100 | 13,96 | 14400 | 46400 | 1,2 | ||
| 118 | 11,92 | 12300 | 47100 | 1,3 | ||
| 200 | 83 | 16,85 | 21700 | 36100 | 0,85 | 1400 |
| 100 | 13,96 | 18000 | 39200 | 0,95 | ||
| 118 | 11,92 | 15300 | 41000 | 1,05 |
Монтажное положение:
Продукция ООО «ПТЦ «ПРИВОД» может быть доставлена во все города Российской Федерации и страны ближнего зарубежья:
- Автотранспортом
- Железнодорожным транспортом
- Авиатранспортом
- Экспресс-доставка сборными видами транспорта (смешанные перевозки)
Транспортная компания
Мы работаем с основными транспортными компаниями. Самостоятельно договоримся о доставке и страховании груза, сэкономив время и деньги клиента.
Доставка может быть оформлена как до дверей заказчика, так и до терминала компании в городе заказчика.
Самовывоз
Если у вас есть возможность самостоятельно забрать продукцию, то мы будем рады помочь вам оформить самовывоз. Ваш заказ будет ждать вас по адресу: г. Пенза, ул. Бийская 1Г, в рабочие дни с 13:00 до 17:00 часов (с 8.00 до 12.00 часов по предварительному согласованию).
Заказ отдельной машины
В случае крупногабаритного заказа или особой срочности доставки мы организуем поиск отдельной машины.









