Цилиндрические редукторы UD-F(FA, FF, FAF) (UD-F-87) | Казань
Цена по запросу
UD-F-87
Характеристики
Условное обозначение:
(F-исполнение на лапах с цельным валом,
FA - исполнение на лапах с полым валом,
FH - исполнение с полым валом и стяжной муфтой,
FF - исполнение на фланце с цельным валом,
FAF - исполнение на фланце с полым валом,
FHF - исполнение с полым валом на фланце со стяжной муфтой,
FZ - исполнение с малым фланцем).
2. Габарит редуктора (37,47,57,67,77, 87, 97,107,127,157).
3. Исполнение с резиновым амортизатором.
4. Передаточное число.
5. (PAM 28/250)
28- диаметр полого входного вала редуктора (мм),
250- наружный диаметр входного фланца редуктора (мм).
6. Монтажная позиция редуктора (M1, M2, M3, M4, M5, M6).
Вес редуктора: 90 кг
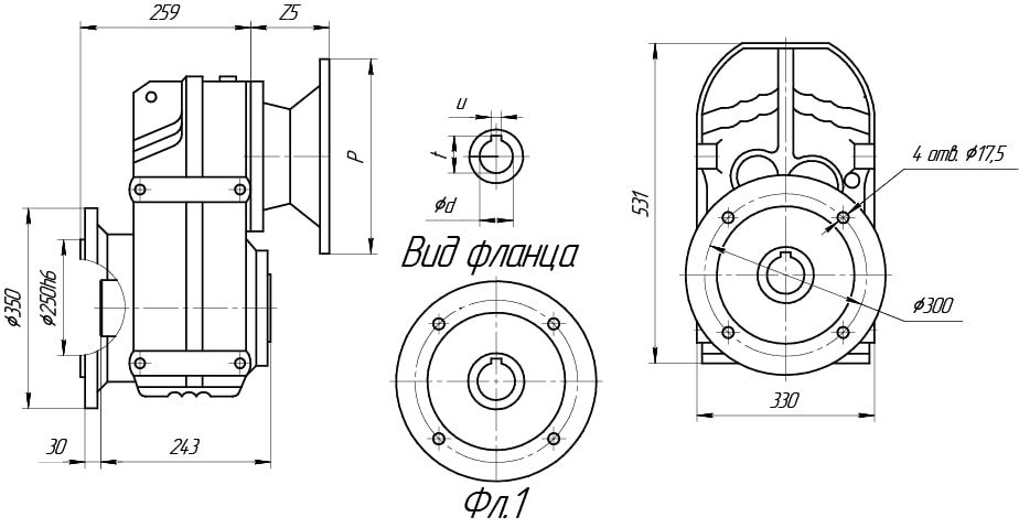
Габаритные и присоединительные размеры:
UD-F87 исполнение с входным цилиндрическим валом
UD-F87...
Цельный выходной вал
UD-FAB87...
Полый выходной вал
UD-FF87...
Цельный выходной вал
UD-FAF87...
Полый выходной вал
UD-FA87...
Полый выходной вал
UD-FA...87/G...
Присоединительные размеры под электродвигатель
| Исполнение 1 | Исполнение 2 | Исполнение 3 | Исполнение 4 | Исполнение 5 | |
| Р,мм | 160 | 200 | 250 | 300 | 350 |
| Z5,мм | 55 | 60 | 80 | 90 | 125 |
Таблица подбора редуктора
| Мощность, кВт | Частота вращения выходного вала, об/мин | Передаточное число | Крутящий момент, Нм | Допустимая радиальная нагрузка, Н | Сервис- фактор | Частота вращения эл.двигателя |
| 0,37 | 2,5 | 270,68 | 1410 | 28100 | 2,1 | 700 |
| 2,7 | 255,37 | 1330 | 28200 | 2,3 | ||
| 3 | 228,93 | 1190 | 28600 | 2,5 | ||
| 3,5 | 197,2 | 1020 | 28900 | 2,9 | ||
| 3,3 | 270,68 | 1060 | 28800 | 2,8 | 900 | |
| 3,5 | 255,37 | 1000 | 29000 | 3 | ||
| 3,9 | 228,93 | 900 | 29200 | 3,3 | ||
| 0,55 | 2,5 | 270,68 | 2090 | 26200 | 1,45 | 700 |
| 2,7 | 255,37 | 1970 | 26500 | 1,5 | ||
| 3 | 228,93 | 1770 | 27100 | 1,7 | ||
| 3,5 | 197,2 | 1520 | 27800 | 1,95 | ||
| 3,3 | 270,68 | 1580 | 27600 | 1,9 | 900 | |
| 3,5 | 255,37 | 1490 | 27800 | 2 | ||
| 3,9 | 228,93 | 1340 | 28200 | 2,2 | ||
| 4,6 | 197,2 | 1150 | 28700 | 2,6 | ||
| 5 | 179,97 | 1050 | 28900 | 2,9 | ||
| 0,75 | 3,3 | 270,68 | 2150 | 26000 | 1,4 | |
| 3,5 | 255,37 | 2030 | 26300 | 1,5 | ||
| 3,9 | 228,93 | 1820 | 27000 | 1,65 | ||
| 4,6 | 197,2 | 1570 | 27600 | 1,9 | ||
| 5 | 179,97 | 1430 | 28000 | 2,1 | ||
| 5,6 | 159,61 | 1270 | 28400 | 2,4 | ||
| 5,2 | 270,68 | 1400 | 28100 | 2,1 | 1400 | |
| 5,5 | 255,37 | 1330 | 28200 | 2,3 | ||
| 6,1 | 228,93 | 1190 | 28600 | 2,5 | ||
| 1,1 | 3,3 | 270,68 | 3090 | 16000 | 0,95 | 900 |
| 3,5 | 255,37 | 2920 | 22700 | 1,05 | ||
| 3,9 | 228,93 | 2610 | 24400 | 1,15 | ||
| 4,6 | 197,2 | 2250 | 25700 | 1,35 | ||
| 5 | 179,97 | 2050 | 26300 | 1,45 | ||
| 5,6 | 159,61 | 1820 | 27000 | 1,65 | ||
| 5,2 | 270,68 | 2030 | 26300 | 1,5 | 1400 | |
| 5,5 | 255,37 | 1920 | 26700 | 1,55 | ||
| 6,1 | 228,93 | 1720 | 27200 | 1,75 | ||
| 7,1 | 197,2 | 1480 | 27900 | 2 | ||
| 7,8 | 179,97 | 1350 | 28200 | 2,2 | ||
| 8,8 | 159,61 | 1200 | 28500 | 2,5 | ||
| 10,4 | 134,16 | 1010 | 29000 | 3 | ||
| 11,4 | 123,29 | 930 | 29100 | 3,2 | ||
| 1,5 | 5,2 | 270,68 | 2750 | 23900 | 1,1 | 1400 |
| 5,5 | 255,37 | 2590 | 24500 | 1,15 | ||
| 6,1 | 228,93 | 2330 | 24600 | 1,3 | ||
| 7,1 | 197,2 | 2000 | 24600 | 1,5 | ||
| 7,8 | 179,97 | 1830 | 26900 | 1,65 | ||
| 8,8 | 159,61 | 1620 | 27500 | 1,85 | ||
| 10,4 | 134,16 | 1360 | 28200 | 2,2 | ||
| 12,8 | 109,49 | 1110 | 28700 | 2,7 | ||
| 14,3 | 97,89 | 990 | 29000 | 3 | ||
| 2,2 | 7,1 | 197,2 | 2940 | 22000 | 1 | 1400 |
| 7,8 | 179,97 | 2680 | 24200 | 1,1 | ||
| 8,8 | 159,61 | 2380 | 25200 | 1,25 | ||
| 10,4 | 134,16 | 2000 | 26400 | 1,5 | ||
| 11,4 | 123,29 | 1840 | 26900 | 1,65 | ||
| 12,8 | 109,49 | 1630 | 27500 | 1,85 | ||
| 14,3 | 97,89 | 1460 | 27900 | 2,1 | ||
| 16 | 88,01 | 1310 | 28300 | 2,3 | ||
| 18,3 | 76,39 | 1140 | 27800 | 2,6 | ||
| 21 | 68,4 | 1020 | 27100 | 2,9 | ||
| 25 | 56,75 | 850 | 25900 | 3,5 | ||
| 28 | 50,36 | 750 | 25200 | 3,9 | ||
| 31 | 45,28 | 675 | 24500 | 4,2 | ||
| 3 | 10,4 | 134,16 | 2750 | 23900 | 1,1 | 1400 |
| 11,4 | 123,29 | 2520 | 24700 | 1,2 | ||
| 12,8 | 109,49 | 2240 | 25700 | 1,35 | ||
| 14,3 | 97,89 | 2000 | 26400 | 1,5 | ||
| 16 | 88,01 | 1800 | 26900 | 1,65 | ||
| 18,3 | 76,39 | 1560 | 26300 | 1,9 | ||
| 21 | 68,4 | 1400 | 25700 | 2,1 | ||
| 25 | 56,75 | 1160 | 24800 | 2,6 | ||
| 28 | 50,36 | 1030 | 24100 | 2,8 | ||
| 4 | 12,8 | 109,49 | 2950 | 21700 | 1 | 1400 |
| 14,3 | 97,89 | 2630 | 24300 | 1,15 | ||
| 16 | 88,01 | 2370 | 24600 | 1,25 | ||
| 18,3 | 76,39 | 2050 | 24200 | 1,45 | ||
| 21 | 68,4 | 1840 | 23900 | 1,65 | ||
| 25 | 56,75 | 1530 | 23200 | 1,95 | ||
| 28 | 50,36 | 1350 | 22800 | 2,2 | ||
| 31 | 45,28 | 1220 | 22300 | 2,3 | ||
| 5,5 | 16 | 88,01 | 3230 | 25760 | 0,95 | 1400 |
| 18,3 | 76,39 | 2810 | 21200 | 1,05 | ||
| 21 | 68,4 | 2510 | 21200 | 1,2 | ||
| 25 | 56,75 | 2080 | 21000 | 1,45 | ||
| 28 | 50,36 | 1850 | 20800 | 1,6 | ||
| 31 | 45,28 | 1660 | 20500 | 1,7 | ||
| 36 | 39,3 | 1440 | 20100 | 1,9 | ||
| 40 | 35,19 | 1290 | 19800 | 2 | ||
| 48 | 29,2 | 1070 | 19100 | 2,3 | ||
| 41 | 33,92 | 1250 | 19700 | 2,1 | ||
| 49 | 28,78 | 1060 | 19100 | 2,3 | ||
| 53 | 26,5 | 970 | 18800 | 3,1 | ||
| 59 | 23,68 | 870 | 18400 | 3,5 | ||
| 7,5 | 25 | 56,75 | 2840 | 18100 | 1,05 | 1400 |
| 28 | 50,36 | 2520 | 18200 | 1,15 | ||
| 31 | 45,28 | 2270 | 18200 | 1,25 | ||
| 36 | 39,3 | 1970 | 18100 | 1,4 | ||
| 40 | 35,19 | 1760 | 18000 | 1,5 | ||
| 48 | 29,2 | 1460 | 17600 | 1,7 | ||
| 49 | 28,78 | 1440 | 17600 | 1,7 | ||
| 53 | 26,5 | 1330 | 17400 | 2,3 | ||
| 59 | 23,68 | 1190 | 17100 | 2,5 | ||
| 66 | 21,32 | 1070 | 16800 | 2,8 | ||
| 73 | 19,31 | 970 | 16500 | 3,1 | ||
| 82 | 17,12 | 860 | 16200 | 3,5 | ||
| 90 | 15,48 | 775 | 15900 | 3,9 | ||
| 11 | 36 | 39,3 | 2870 | 14600 | 0,95 | 1400 |
| 40 | 35,19 | 2570 | 14800 | 1 | ||
| 48 | 29,2 | 2130 | 15000 | 1,2 | ||
| 53 | 26,5 | 1930 | 15000 | 1,55 | ||
| 59 | 23,68 | 1730 | 15000 | 1,75 | ||
| 66 | 21,32 | 1560 | 14900 | 1,95 | ||
| 73 | 19,31 | 1410 | 14800 | 2,1 | ||
| 82 | 17,12 | 1250 | 14600 | 2,4 | ||
| 90 | 15,48 | 1130 | 14400 | 2,7 | ||
| 107 | 13,12 | 960 | 14100 | 3,1 | ||
| 15 | 53 | 26,5 | 2600 | 12300 | 1,15 | 1400 |
| 59 | 23,68 | 23200 | 12600 | 1,3 | ||
| 66 | 21,32 | 2090 | 12700 | 1,45 | ||
| 73 | 19,31 | 1890 | 12800 | 1,6 | ||
| 82 | 17,12 | 1680 | 12900 | 1,8 | ||
| 90 | 15,48 | 1520 | 12800 | 2 | ||
| 107 | 13,12 | 1290 | 12700 | 2,3 | ||
| 122 | 11,46 | 1120 | 12600 | 2,7 | ||
| 146 | 9,58 | 940 | 12300 | 3,1 | ||
| 169 | 8,29 | 810 | 11700 | 1,9 | ||
| 190 | 7,35 | 720 | 11500 | 2,1 | ||
| 211 | 6,65 | 650 | 11300 | 2,3 | ||
| 249 | 5,63 | 555 | 11000 | 2,8 | ||
| 285 | 4,92 | 485 | 10700 | 3,2 | ||
| 340 | 4,12 | 405 | 10300 | 3,6 | ||
| 18,5 | 66 | 21,32 | 2570 | 10900 | 1,15 | 1400 |
| 73 | 19,31 | 2330 | 11100 | 1,3 | ||
| 82 | 17,12 | 2060 | 11400 | 1,45 | ||
| 90 | 15,48 | 1870 | 11500 | 1,6 | ||
| 107 | 13,12 | 1580 | 11600 | 1,9 | ||
| 122 | 11,46 | 1380 | 11600 | 2,2 | ||
| 146 | 9,58 | 1160 | 11500 | 2,5 | ||
| 169 | 8,29 | 1000 | 10900 | 1,55 | ||
| 190 | 7,35 | 890 | 10800 | 1,75 | ||
| 211 | 6,65 | 800 | 10700 | 1,9 | ||
| 249 | 5,63 | 680 | 10400 | 2,2 | ||
| 285 | 4,92 | 595 | 10200 | 2,6 | ||
| 340 | 4,12 | 495 | 9900 | 2,9 | ||
| 66 | 21,32 | 3060 | 8990 | 1 | ||
| 73 | 19,31 | 2770 | 9430 | 1,1 | ||
| 82 | 17,12 | 2460 | 9850 | 1,2 | ||
| 90 | 15,48 | 2220 | 10100 | 1,35 | ||
| 107 | 13,12 | 1880 | 10400 | 1,6 | ||
| 122 | 11,46 | 1640 | 10600 | 1,85 | ||
| 146 | 9,58 | 1370 | 10600 | 2,1 | ||
| 169 | 8,29 | 1190 | 10100 | 1,3 | ||
| 190 | 7,35 | 1050 | 10100 | 1,45 | ||
| 211 | 6,65 | 950 | 10000 | 1,6 | ||
| 249 | 5,63 | 810 | 9900 | 1,9 | ||
| 285 | 4,92 | 705 | 9750 | 2,2 | ||
| 340 | 4,12 | 590 | 9500 | 2,5 |
Монтажное положение:
Продукция ООО «ПТЦ «ПРИВОД» может быть доставлена во все города Российской Федерации и страны ближнего зарубежья:
- Автотранспортом
- Железнодорожным транспортом
- Авиатранспортом
- Экспресс-доставка сборными видами транспорта (смешанные перевозки)
Транспортная компания
Мы работаем с основными транспортными компаниями. Самостоятельно договоримся о доставке и страховании груза, сэкономив время и деньги клиента.
Доставка может быть оформлена как до дверей заказчика, так и до терминала компании в городе заказчика.
Самовывоз
Если у вас есть возможность самостоятельно забрать продукцию, то мы будем рады помочь вам оформить самовывоз. Ваш заказ будет ждать вас по адресу: г. Пенза, ул. Бийская 1Г, в рабочие дни с 13:00 до 17:00 часов (с 8.00 до 12.00 часов по предварительному согласованию).
Заказ отдельной машины
В случае крупногабаритного заказа или особой срочности доставки мы организуем поиск отдельной машины.









