Цилиндрические редукторы UD-F(FA, FF, FAF) (UD-F-97) | Набережные Челны
Цена по запросу
																		UD-F-97
									
								Характеристики
Условное обозначение:

1. Модель редуктора
(F-исполнение на лапах с цельным валом,
FA - исполнение на лапах с полым валом,
FH - исполнение с полым валом и стяжной муфтой,
FF - исполнение на фланце с цельным валом,
FAF - исполнение на фланце с полым валом,
FHF - исполнение с полым валом на фланце со стяжной муфтой,
FZ - исполнение с малым фланцем).
2. Габарит редуктора (37,47,57,67,77, 87, 97,107,127,157).
3. Исполнение с резиновым амортизатором.
4. Передаточное число.
5. (PAM 28/250)
28- диаметр полого входного вала редуктора (мм),
250- наружный диаметр входного фланца редуктора (мм).
6. Монтажная позиция редуктора (M1, M2, M3, M4, M5, M6).
Вес редуктора: 150 кг
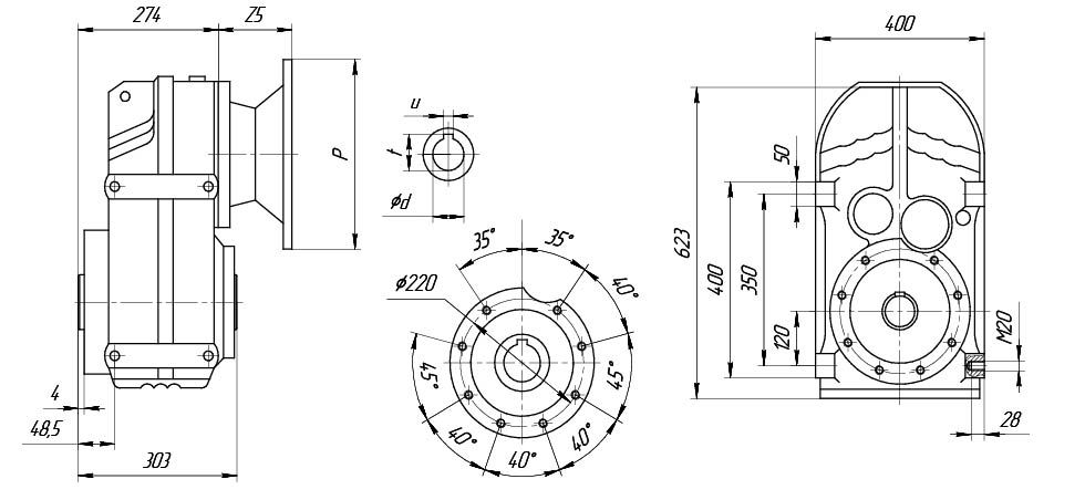
Габаритные и присоединительные размеры:
UD-F97 исполнение с входным цилиндрическим валом
UD-F97...
Цельный выходной вал
UD-FAB97...
Полый выходной вал
UD-FF97...
Цельный выходной вал
UD-FAF97...
Полый выходной вал
UD-FA97...
Полый выходной вал
UD-FA...97/G...
Присоединительные размеры под электродвигатель
| Исполнение 1 | Исполнение 2 | Исполнение 3 | Исполнение 4 | Исполнение 5 | |
| Р,мм | 200 | 250 | 300 | 350 | 400 | 
| Z5,мм | 60 | 80 | 90 | 125 | 145 | 
Таблица подбора редуктора
| Мощность, кВт | 
		 Частота вращения выходного вала, об/мин  | 
	Передаточное число | Крутящий момент, Нм | Допустимая радиальная нагрузка, Н | Сервис- фактор | Частота вращения эл.двигателя | 
| 0,55 | 2,5 | 276,77 | 2140 | 35100 | 2 | 700 | 
| 2,7 | 253,41 | 1960 | 35500 | 2,2 | ||
| 3 | 223,88 | 1730 | 35900 | 2,5 | ||
| 0,75 | 2,5 | 276,77 | 2870 | 33600 | 1,5 | |
| 2,7 | 253,41 | 2630 | 34100 | 1,65 | ||
| 3 | 223,88 | 2320 | 34800 | 1,85 | ||
| 3,3 | 276,77 | 2200 | 35000 | 1,95 | 900 | |
| 3,6 | 253,41 | 2020 | 35400 | 2,1 | ||
| 4,1 | 223,88 | 1780 | 35800 | 2,4 | ||
| 1,1 | 3,3 | 276,77 | 3160 | 32900 | 1,35 | |
| 3,6 | 253,41 | 2890 | 33600 | 1,5 | ||
| 4,1 | 223,88 | 2560 | 34300 | 1,7 | ||
| 4,8 | 189,92 | 2170 | 35100 | 2 | ||
| 5,3 | 174,87 | 2000 | 35400 | 2,2 | ||
| 5 | 276,77 | 2080 | 35200 | 2,1 | 1400 | |
| 5,5 | 253,41 | 1900 | 35600 | 2,3 | ||
| 6,3 | 223,88 | 1680 | 36000 | 2,6 | ||
| 1,5 | 3,3 | 276,77 | 4310 | 29900 | 1,0 DR | 900 | 
| 3,6 | 253,41 | 3950 | 30900 | 1,1 | ||
| 4,1 | 223,88 | 3490 | 32100 | 1,25 | ||
| 4,8 | 189,92 | 2960 | 33400 | 1,45 | ||
| 5,3 | 174,87 | 2720 | 33900 | 1,6 | ||
| 5 | 276,77 | 2810 | 33700 | 1,55 | 1400 | |
| 5,5 | 253,41 | 2570 | 34300 | 1,65 | ||
| 6,3 | 223,88 | 2270 | 34900 | 1,9 | ||
| 7,4 | 189,92 | 1930 | 35500 | 2,2 | ||
| 8 | 174,87 | 1780 | 35800 | 2,4 | ||
| 2,2 | 4,1 | 223,88 | 5000 | 12400 | 0,85 | 900 | 
| 4,8 | 189,92 | 4240 | 30100 | 1 | ||
| 5,3 | 174,87 | 3910 | 31000 | 1,1 | ||
| 6 | 156,3 | 3490 | 32100 | 1,25 | ||
| 5 | 276,77 | 4120 | 30400 | 1,05 | 1400 | |
| 5,5 | 253,41 | 3780 | 31400 | 1,15 | ||
| 6,3 | 223,88 | 3340 | 32500 | 1,3 | ||
| 7,4 | 189,92 | 2830 | 33700 | 1,5 | ||
| 8 | 174,87 | 2610 | 34200 | 1,65 | ||
| 9 | 156,3 | 2330 | 34800 | 1,85 | ||
| 10 | 140,71 | 2100 | 35200 | 2 | ||
| 11 | 127,42 | 1900 | 35600 | 2,3 | ||
| 3 | 6,3 | 223,88 | 4580 | 29000 | 0,95 | 1400 | 
| 7,4 | 189,92 | 3890 | 31100 | 1,1 | ||
| 8 | 174,87 | 3580 | 31900 | 1,25 | ||
| 9 | 156,3 | 3200 | 32800 | 1,35 | ||
| 10 | 140,71 | 2880 | 33600 | |||
| 11 | 127,42 | 2610 | 34200 | 1,65 | ||
| 12,4 | 112,99 | 2310 | 34800 | 1,85 | ||
| 13,7 | 102,16 | 2090 | 35200 | 2,1 | ||
| 15,6 | 89,85 | 1840 | 3570 | 2,3 | ||
| 4 | 8 | 174,87 | 4700 | 26600 | 0,9 | 1400 | 
| 9 | 156,3 | 4200 | 30200 | 1 | ||
| 10 | 140,71 | 3780 | 31400 | 1,15 | ||
| 11 | 127,42 | 3430 | 32300 | 1,25 | ||
| 12,4 | 112,99 | 3040 | 33200 | 1,4 | ||
| 13,7 | 102,16 | 2750 | 33900 | 1,55 | ||
| 14,3 | 97,58 | 2620 | 34100 | 1,65 | ||
| 15,6 | 89,85 | 2420 | 34600 | 1,8 | ||
| 17,4 | 80,31 | 2160 | 35100 | 2 | ||
| 19,4 | 7229 | 1940 | 35500 | 2,2 | ||
| 21 | 65,47 | 1760 | 35800 | 2,4 | ||
| 5,5 | 11 | 127,42 | 4680 | 27400 | 0,9 | 1400 | 
| 12,4 | 112,99 | 4150 | 3030 | 1,05 | ||
| 13,7 | 102,16 | 3750 | 31400 | 1,15 | ||
| 14,3 | 97,58 | 3580 | 31900 | 1,2 | ||
| 15,6 | 89,85 | 3300 | 32600 | 1,3 | ||
| 16,2 | 86,59 | 3180 | 32900 | 1,35 | ||
| 17,4 | 80,31 | 2950 | 33400 | 1,45 | ||
| 18,5 | 75,63 | 2780 | 33800 | 1,55 | ||
| 19,4 | 72,29 | 2660 | 34100 | 1,6 | ||
| 21 | 65,47 | 2400 | 34600 | 1,8 | ||
| 24 | 58,06 | 2130 | 34500 | 2 | ||
| 27 | 52,49 | 1930 | 33900 | 2,2 | ||
| 7,5 | 14,3 | 97,58 | 4890 | 19300 | 0,9 | 1400 | 
| 15,6 | 89,85 | 4500 | 29300 | 0,95 | ||
| 16,2 | 86,59 | 4340 | 29800 | 1 | ||
| 17,4 | 80,31 | 4020 | 30700 | 1,05 | ||
| 18,5 | 75,63 | 3790 | 31300 | 1,15 | ||
| 19,4 | 72,29 | 3620 | 31800 | 1,2 | ||
| 21 | 65,47 | 3280 | 32200 | 1,3 | ||
| 24 | 58,06 | 2910 | 31800 | 1,5 | ||
| 27 | 52,49 | 2630 | 31400 | 1,65 | ||
| 32 | 44,49 | 2230 | 30600 | 1,95 | ||
| 36 | 38,86 | 1950 | 29900 | 2,2 | ||
| 43 | 32,5 | 1630 | 28900 | 2,6 | ||
| 33 | 43,28 | 2170 | 30500 | 1,4 | ||
| 38 | 36,64 | 1840 | 29600 | 1,65 | ||
| 41 | 33,91 | 1700 | 29200 | 2,5 | ||
| 46 | 30,39 | 1520 | 28500 | 2,8 | ||
| 11 | 21 | 65,47 | 4780 | 24000 | 0,9 | 1400 | 
| 24 | 58,06 | 4240 | 27100 | 1 | ||
| 27 | 52,49 | 3830 | 27100 | 1,1 | ||
| 32 | 44,49 | 3250 | 27000 | 1,3 | ||
| 36 | 38,86 | 2830 | 26700 | 1,5 | ||
| 43 | 32,5 | 2370 | 26200 | 1,8 | ||
| 41 | 33,91 | 2470 | 26400 | 1,75 | ||
| 46 | 30,39 | 2220 | 26000 | 1,95 | ||
| 51 | 27,44 | 2000 | 25600 | 2,2 | ||
| 56 | 24,92 | 1820 | 25200 | 2,4 | ||
| 63 | 22,11 | 1620 | 24700 | 2,7 | ||
| 15 | 32 | 44,49 | 4360 | 22900 | 1 | 1400 | 
| 36 | 38,86 | 3810 | 23100 | 1,15 | ||
| 43 | 32,5 | 3190 | 23200 | 1,35 | ||
| 41 | 33,91 | 3330 | 23200 | 1,3 | ||
| 46 | 30,39 | 2980 | 23200 | 1,45 | ||
| 51 | 27,44 | 2690 | 23100 | 1,6 | ||
| 56 | 24,92 | 2450 | 22900 | 1,75 | ||
| 63 | 22,11 | 2170 | 22600 | 2 | ||
| 70 | 20,07 | 1970 | 22400 | 2,2 | ||
| 81 | 17,25 | 1690 | 21900 | 2,5 | ||
| 93 | 15,06 | 1480 | 21400 | 2,9 | ||
| 110 | 12,77 | 1250 | 20800 | 3,4 | ||
| 125 | 11,16 | 1100 | 20200 | 3,7 | ||
| 18,5 | 36 | 38,86 | 4690 | 20000 | 0,9 | 1400 | 
| 43 | 32,5 | 3920 | 20600 | 1,1 | ||
| 51 | 27,44 | 3310 | 20900 | 1,3 | ||
| 56 | 24,92 | 3010 | 20900 | 1,45 | ||
| 63 | 22,11 | 2670 | 20900 | 1,6 | ||
| 70 | 20,07 | 2420 | 20800 | 1,8 | ||
| 81 | 17,25 | 2080 | 20500 | 2,1 | ||
| 93 | 15,06 | 1820 | 20200 | 2,4 | ||
| 110 | 12,77 | 1540 | 19800 | 2,8 | ||
| 125 | 11,16 | 1350 | 19300 | 3 | ||
| 22 | 51 | 27,44 | 3940 | 188700 | 1,1 | 1400 | 
| 56 | 24,92 | 3570 | 18900 | 1,2 | ||
| 63 | 22,11 | 3170 | 19100 | 1,35 | ||
| 70 | 20,07 | 2880 | 19200 | 1,5 | ||
| 81 | 17,25 | 2470 | 19100 | 1,75 | ||
| 93 | 15,06 | 2160 | 19000 | 2 | ||
| 110 | 12,77 | 1830 | 18700 | 2,3 | ||
| 125 | 11,16 | 1600 | 18400 | 2,6 | ||
| 30 | 63 | 22,11 | 4310 | 15100 | 1 | 1400 | 
| 70 | 20,07 | 3910 | 15500 | 1,1 | ||
| 81 | 17,25 | 3360 | 16000 | 1,3 | ||
| 93 | 15,06 | 2930 | 16300 | 1,45 | ||
| 110 | 12,77 | 2490 | 16400 | 1,75 | ||
| 125 | 11,16 | 2180 | 16400 | 1,9 | ||
| 155 | 9,06 | 1770 | 15400 | 1,35 | ||
| 170 | 8,22 | 1600 | 15300 | 1,45 | ||
| 198 | 7,07 | 1380 | 15100 | 1,7 | ||
| 227 | 6,17 | 1200 | 14900 | 1,85 | ||
| 268 | 5,23 | 1020 | 14600 | 2,1 | ||
| 306 | 4,57 | 890 | 14300 | 2,3 | 
Монтажное положение:
Продукция ООО «ПТЦ «ПРИВОД» может быть доставлена во все города Российской Федерации и страны ближнего зарубежья:
 
 • Автотранспортом
• Железнодорожным транспортом
• Авиатранспортом
• Экспресс-доставка сборными видами транспорта (смешанные перевозки)
Транспортная компания
Мы работаем с основными транспортными компаниями. Самостоятельно договоримся о доставке и страховании груза сэкономив время и деньги клиента.Доставка может быть оформлена как до дверей заказчика, так и до терминала компании в городе заказчика.
			
                    
            
                    
                    
                    
                    
                    
                    
					
													
													
													
												
													
							
											
																						
																						
																						
																						
																						
																						
																						
																						
																						








