Цилиндро-конические редукторы UD-K, (KA, KF, KAF) (UD-K-127) | Ярославль
Цена по запросу
UD-K-127
Характеристики
Условное обозначение:

1. Модель редуктора
(К-исполнение на лапах со сквозными отверстиями и цельным валом,
KAB - исполнение лап со сквозными отверстиями и полым валом,
KA - исполнение лап с резьбовыми отверстиями и полым валом,
KF - исполнение на фланце с цельным валом,
KAF - исполнение на фланце с полым валом).
2. Габарит редуктора (37,47,57,67,77, 87, 97,107,127,157).
3. Исполнение с реактивным кронштейном.
4. Передаточное число.
5. (PAM 24/200)
24- диаметр полого входного вала редуктора (мм);
200- наружный диаметр входного фланца редуктора (мм).
6. Монтажная позиция редуктора (M1, M2, M3, M4, M5, M6).
7. Сторона расположение выходного цельнометаллического вала и фланца (A, B, AB),
выходного полого вала со стяжной муфтой сторона (A, B).
Редукторы производства ООО “ПТЦ ”ПРИВОД” сохраняют общие стандарты широко популярных Европейских цилиндрических мотор-редукторов, которых придерживаются большинство известных производителей: NORD, SEW-EURODRIVE, MOTOVARIO, TOS-ZNOJMO, VARVEL и др. Благодаря унифицированным присоединительным размерам мотор-редукторы могут служить заменой вышедших из строя мотор-редукторов вышеуказанных фирм.
Нормальная эксплуатация коническо-цилиндрических редукторов/мотор-редукторов обеспечивается при входных оборотах не более 1500 об/мин.
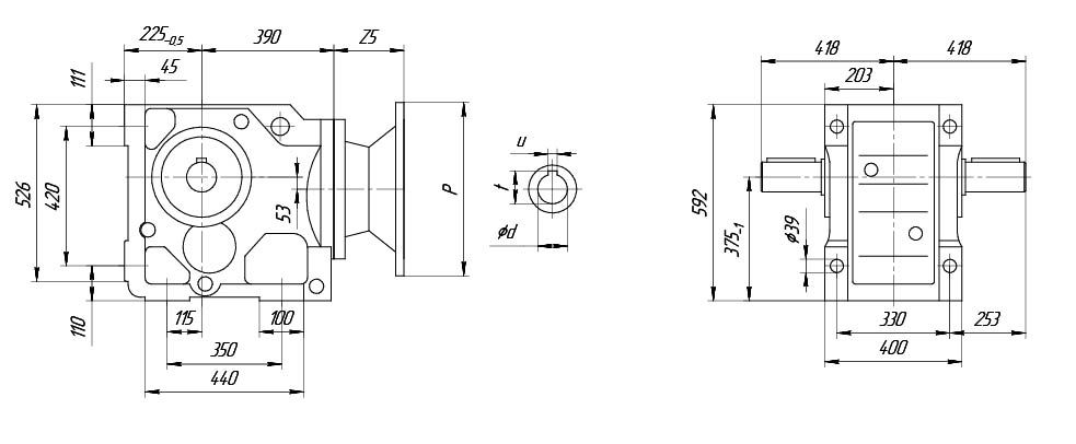
Габаритные и присоединительные размеры:
UD-K127 с цилиндрическим входным валом
UD-KA127...
UD-KAF127...
UD-KF127...
UD-KАB127...
Полый выходной вал
UD-K127...
Цельный выходной вал
UD-K...127/T...
Присоединительные размеры под электродвигатель
| Исполнение 1 | Исполнение 2 | Исполнение 3 | Исполнение 4 | Исполнение 5 | |
| Р, мм | 300 | 350 | 400 | 450 | 550 |
| Z5, мм | 90 | 125 | 145 | 160 | 160 |
Расположение выходного вала и фланца (стороны A, B, AB)
Расположение выходного полого вала со стяжной муфтой (сторона A, B)

*Для редукторов серии К с полым валом и стяжной муфтой необходимо указать, какая сторона A или B, является стороной отбора мощности. Стяжная муфта расположена со стороны, противоположной стороне отбора мощности.
Таблица подбора редуктора
| Мощность, кВт | Частота вращения выходного вала, об/мин | Передаточное число | Крутящий момент, Нм | Допустимая радиальная нагрузка, Н | Сервис- фактор | Частота вращения эл.двигателя |
| 4 | 5,2 | 136,14 | 7220 | 81700 | 1,8 | 700 |
| 5,6 | 122,48 | 6500 | 81900 | 2 | ||
| 6,3 | 110,18 | 5850 | 82100 | 2,2 | ||
| 6,2 | 146,07 | 5810 | 82100 | 2,2 | 900 | |
| 6,6 | 136,14 | 5420 | 82200 | 2,4 | ||
| 7,4 | 122,48 | 4870 | 82300 | 2,7 | ||
| 8,2 | 110,18 | 4380 | 82400 | 3 | ||
| 5,5 | 5,2 | 136,14 | 10100 | 80700 | 1,3 | 700 |
| 5,6 | 122,48 | 9060 | 81100 | 1,45 | ||
| 6,3 | 110,18 | 8150 | 81400 | 1,6 | ||
| 7,7 | 89,89 | 6650 | 81900 | 1,95 | ||
| 6,6 | 136,14 | 7450 | 81600 | 1,75 | 900 | |
| 7,4 | 122,48 | 6700 | 81900 | 1,95 | ||
| 8,2 | 110,18 | 6030 | 82100 | 2,2 | ||
| 10 | 89,89 | 4920 | 82300 | 2,6 | ||
| 7,5 | 6,6 | 136,14 | 10200 | 80600 | 1,3 | |
| 7,4 | 122,48 | 9140 DR | 81000 | 1,4 | ||
| 8,2 | 110,18 | 8220 | 81400 | 1,6 | ||
| 10 | 89,89 | 6710 | 81900 | 1,95 | ||
| 9,6 | 146,07 | 7320 | 81700 | 1,8 | 1400 | |
| 10,3 | 136,14 | 6820 | 81800 | 1,9 | ||
| 11,4 | 122,48 | 6130 | 82000 | 2,1 | ||
| 12,7 | 110,18 | 5520 | 82200 | 2,4 | ||
| 15,6 | 89,89 | 4500 | 82400 | 2,9 | ||
| 17,1 | 81,98 | 4110 | 82500 | 3,2 | ||
| 19,7 | 70,95 | 3550 | 82600 | 3,7 | ||
| 11 | 10,3 | 136,14 | 9930 | 80700 | 1,3 | 1400 |
| 11,4 | 122,48 | 8930 | 81100 | 1,45 | ||
| 12,7 | 110,18 | 8040 DR | 81400 | 1,6 | ||
| 15,6 | 89,89 | 6560 | 81900 | 2 | ||
| 17,1 | 81,98 | 5980 | 82100 | 2,2 | ||
| 19,7 | 70,95 | 5180 | 82300 | 2,5 | ||
| 15 | 10,3 | 136,14 | 13400 | 79000 | 0,95 | 1400 |
| 11,4 | 122,48 | 12000 | 79700 | 1,1 | ||
| 12,7 | 110,18 | 10800 | 80300 | 1,2 | ||
| 15,6 | 89,89 | 8820 | 81200 | 1,45 | ||
| 17,1 | 81,98 | 8040 | 81400 | 1,6 | ||
| 19,7 | 70,95 | 6960 | 81600 | 1,85 | ||
| 22 | 62,6 | 6140 | 80000 | 2,1 | ||
| 26 | 54,07 | 5300 | 78000 | 2,5 | ||
| 30 | 47,82 | 4690 | 76200 | 2,8 | ||
| 18,5 | 12,7 | 110,18 | 3300 | 79000 | 1 | 1400 |
| 15,6 | 89,89 | 10800 | 79000 | 1,2 | ||
| 17,1 | 81,98 | 9890 | 78500 | 1,3 | ||
| 19,7 | 70,95 | 8560 | 77500 | 1,5 | ||
| 22 | 62,6 | 7560 | 76400 | 1,7 | ||
| 26 | 54,07 | 6520 | 74800 | 2 | ||
| 30 | 47,82 | 5770 | 73400 | 2,2 | ||
| 35 | 40,19 | 4850 | 71300 | 2,7 | ||
| 39 | 36,25 | 4370 | 69900 | 3 | ||
| 45 | 31,37 | 3780 | 68000 | 3,4 | ||
| 51 | 27,68 | 3340 | 66200 | 3,9 | 1400 | |
| 22 | 15,6 | 89,89 | 12900 | 73900 | 1 | |
| 17,1 | 81,98 | 11800 | 73800 | 1,1 | ||
| 19,7 | 70,95 | 10200 | 73400 | 1,3 | ||
| 22 | 62,6 | 8980 | 72800 | 1,45 | ||
| 26 | 54,07 | 7750 | 71700 | 1,7 | ||
| 30 | 47,82 | 6860 | 70700 | 1,9 | ||
| 35 | 40,19 | 5760 | 69000 | 2,3 | ||
| 39 | 36,25 | 5200 | 67800 | 2,5 | ||
| 45 | 31,37 | 4500 | 66200 | 2,9 | ||
| 51 | 27,68 | 3970 | 64600 | 3,3 | ||
| 59 | 23,91 | 3430 | 62800 | 3,8 | ||
| 67 | 21,15 | 3030 | 61200 | 4,3 | ||
| 30 | 19,7 | 70,95 | 13800 | 64200 | 0,95 | 1400 |
| 22 | 62,6 | 12200 | 64600 | 1,05 | ||
| 26 | 54,07 | 10500 | 64700 | 1,25 | ||
| 30 | 47,82 | 9320 | 64400 | 1,4 | ||
| 35 | 40,19 | 7830 | 63700 | 1,65 | ||
| 39 | 36,25 | 7060 | 63100 | 1,85 | ||
| 45 | 31,37 | 6110 | 62000 | 2,1 | ||
| 51 | 27,68 | 5390 | 61000 | 2,4 | ||
| 59 | 23,91 | 4660 | 59600 | 2,8 | ||
| 37 | 22 | 62,6 | 15000 | 57500 | 0,85 | 1400 |
| 26 | 54,07 | 13000 | 58500 | 1 | ||
| 30 | 47,82 | 11300 | 59000 | 1,15 | ||
| 35 | 40,19 | 9660 | 59100 | 1,35 | ||
| 39 | 36,25 | 8710 | 59000 | 1,5 | ||
| 45 | 31,37 | 7540 | 58500 | 1,7 | ||
| 51 | 27,68 | 6650 | 57800 | 1,95 | ||
| 59 | 23,91 | 5740 | 56900 | 2,3 | ||
| 67 | 21,15 | 5080 | 56000 | 2,6 | ||
| 79 | 17,77 | 4270 | 54500 | 3 | ||
| 98 | 14,35 | 3450 | 52500 | 3,5 | ||
| 109 | 12,79 | 3070 | 50200 | 2,8 | ||
| 130 | 10,74 | 2580 | 48600 | 3,1 | ||
| 161 | 8,68 | 2090 | 46600 | 3,5 | ||
| 45 | 30 | 47,82 | 14000 | 52800 | 0,95 | 1400 |
| 35 | 40,19 | 11700 | 53900 | 1,1 | ||
| 39 | 36,25 | 10600 | 54200 | 1,25 | ||
| 45 | 31,37 | 9170 | 54400 | 1,4 | ||
| 51 | 27,68 | 8090 | 54200 | 1,6 | ||
| 59 | 23,91 | 6990 | 53800 | 1,85 | ||
| 67 | 21,15 | 6180 | 53200 | 2,1 | ||
| 79 | 17,77 | 5190 | 52200 | 2,5 | ||
| 98 | 14,35 | 4190 | 50700 | 2,9 | ||
| 109 | 12,79 | 3740 | 48300 | 2,3 | ||
| 130 | 10,74 | 3140 | 47000 | 2,5 | ||
| 161 | 8,68 | 2540 | 45300 | 2,8 | ||
| 55 | 35 | 40,19 | 14300 | 47400 | 0,9 | 1400 |
| 45 | 31,37 | 11200 | 49300 | 1,15 | ||
| 51 | 27,68 | 9850 | 49700 | 1,3 | ||
| 59 | 23,91 | 8510 | 49900 | 1,55 | ||
| 67 | 21,15 | 7530 | 49800 | 1,75 | ||
| 79 | 17,77 | 6330 | 49300 | 2 | ||
| 98 | 14,35 | 5110 | 48300 | 2,4 | ||
| 109 | 12,79 | 4550 | 75900 | 1,85 | ||
| 130 | 10,74 | 3830 | 45000 | 2,1 | ||
| 161 | 8,68 | 3090 | 43600 | 2,3 | ||
| 75 | 45 | 31,37 | 15200 | 39200 | 0,85 | 1400 |
| 51 | 27,68 | 13400 | 40800 | 0,95 | ||
| 59 | 23,91 | 11600 | 42200 | 1,1 | ||
| 67 | 21,15 | 10200 | 42900 | 1,25 | ||
| 79 | 17,77 | 18600 | 43500 | 1,5 | ||
| 98 | 14,35 | 6940 | 43700 | 1,75 | ||
| 109 | 12,79 | 6190 | 41100 | 1,4 | ||
| 130 | 10,74 | 5200 | 41000 | 1,55 | ||
| 161 | 8,68 | 4200 | 40400 | 1,7 | ||
| 90 | 59 | 23,91 | 13900 | 36400 | 0,95 | 1400 |
| 67 | 21,15 | 12300 | 37800 | 1,05 | ||
| 79 | 17,77 | 10300 | 39200 | 1,25 | ||
| 98 | 14,35 | 8330 | 40200 | 1,45 | ||
| 109 | 12,79 | 7420 | 37600 | 1,15 | ||
| 130 | 10,74 | 6240 | 38000 | 1,3 | ||
| 161 | 8,68 | 5040 | 38000 | 1,45 |
Монтажные исполнения
Каждая из моделей имеет свои собственные варианты крепления. В
частности, модели К, КА крепятся посредством лап, в то время как KF, KAF
посредством использования фланцев. Подобное конструктивное исполнение и
определяет в последующем его монтаж и установку в структуру
оборудования.
Продукция ООО «ПТЦ «ПРИВОД» может быть доставлена во все города Российской Федерации и страны ближнего зарубежья:
- Автотранспортом
- Железнодорожным транспортом
- Авиатранспортом
- Экспресс-доставка сборными видами транспорта (смешанные перевозки)
Транспортная компания
Мы работаем с основными транспортными компаниями. Самостоятельно договоримся о доставке и страховании груза, сэкономив время и деньги клиента.
Доставка может быть оформлена как до дверей заказчика, так и до терминала компании в городе заказчика.
Самовывоз
Если у вас есть возможность самостоятельно забрать продукцию, то мы будем рады помочь вам оформить самовывоз. Ваш заказ будет ждать вас по адресу: г. Пенза, ул. Бийская 1Г, в рабочие дни с 13:00 до 17:00 часов (с 8.00 до 12.00 часов по предварительному согласованию).
Заказ отдельной машины
В случае крупногабаритного заказа или особой срочности доставки мы организуем поиск отдельной машины.









