Цилиндро-конические редукторы UD-K, (KA, KF, KAF) (UD-K-67) | Ярославль
Цена по запросу
UD-K-67
Характеристики
Условное обозначение:

1. Модель редуктора
(К-исполнение на лапах со сквозными отверстиями и цельным валом,
KAB - исполнение лап со сквозными отверстиями и полым валом,
KA - исполнение лап с резьбовыми отверстиями и полым валом,
KF - исполнение на фланце с цельным валом,
KAF - исполнение на фланце с полым валом).
2. Габарит редуктора (37,47,57,67,77, 87, 97,107,127,157).
3. Исполнение с реактивным кронштейном.
4. Передаточное число.
5. (PAM 24/200)
24- диаметр полого входного вала редуктора (мм);
200- наружный диаметр входного фланца редуктора (мм).
6. Монтажная позиция редуктора (M1, M2, M3, M4, M5, M6).
7. Сторона расположение выходного цельнометаллического вала и фланца (A, B, AB),
выходного полого вала со стяжной муфтой сторона (A, B).
Редукторы производства ООО “ПТЦ ”ПРИВОД” сохраняют общие стандарты широко популярных Европейских цилиндрических мотор-редукторов, которых придерживаются большинство известных производителей: NORD, SEW-EURODRIVE, MOTOVARIO, TOS-ZNOJMO, VARVEL и др. Благодаря унифицированным присоединительным размерам мотор-редукторы могут служить заменой вышедших из строя мотор-редукторов вышеуказанных фирм.
Нормальная эксплуатация коническо-цилиндрических редукторов/мотор-редукторов обеспечивается при входных оборотах не более 1500 об/мин.
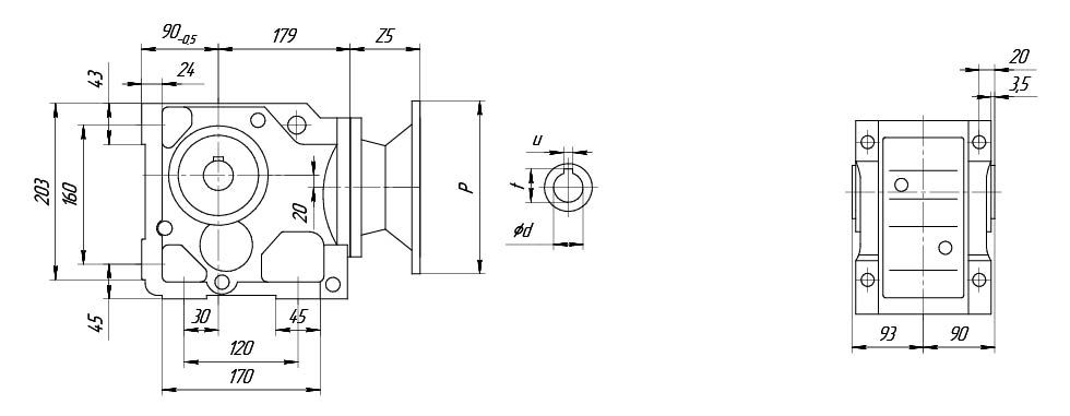
Габаритные и присоединительные размеры:
UD-K67 с цилиндрическим входным валом
UD-KA67...
UD-KAF67...
UD-KF67...
UD-KАB67...
Полый выходной вал
UD-K67...
Цельный выходной вал
UD-K...67/T...
Присоединительные размеры под электродвигатель
| Исполнение 1 | Исполнение 2 | Исполнение 3 | Исполнение 4 | Исполнение 5 | |
| Р, мм | 140 | 160 | 200 | 250 | 300 |
| Z5, мм | 50 | 55 | 60 | 80 | 90 |
Расположение выходного вала и фланца (стороны A, B, AB)
Расположение выходного полого вала со стяжной муфтой (сторона A, B)

*Для редукторов серии К с полым валом и стяжной муфтой необходимо указать, какая сторона A или B, является стороной отбора мощности. Стяжная муфта расположена со стороны, противоположной стороне отбора мощности.
Таблица подбора редуктора
| Мощность, кВт | Частота вращения выходного вала, об/мин | Передаточное число | Крутящий момент, Нм | Допустимая радиальная нагрузка, Н | Сервис- фактор | Частота вращения эл.двигателя |
| 0,12 | 6,2 | 144,79 | 184 | 13000 | 4,4 | 900 |
| 0,18 | 6,2 | 144,79 | 285 | 13000 | 2,9 | |
| 7,3 | 123,54 | 245 | 13000 | 3,4 | ||
| 8,3 | 108,03 | 215 | 13000 | 3,8 | ||
| 8,8 | 102,62 | 205 | 13000 | 4 | ||
| 9,7 | 144,79 | 189 | 13000 | 4,3 | 1400 | |
| 11,3 | 123,54 | 161 | 13000 | 5,1 | ||
| 13 | 108,03 | 141 | 13000 | 5,8 | ||
| 0,25 | 5,6 | 123,54 | 435 | 12700 | 1,9 | 690 |
| 6,4 | 108,03 | 380 | 12900 | 2,2 | ||
| 6,7 | 123,54 | 360 | 12900 | 2,3 | ||
| 7,7 | 108,03 | 315 | 13000 | 2,6 | ||
| 6,2 | 102,62 | 395 | 12800 | 2,1 | 900 | |
| 7,3 | 90,04 | 335 | 13000 | 2,5 | ||
| 8,3 | 144,79 | 395 | 13000 | 2,8 | ||
| 8,8 | 123,54 | 280 | 13000 | 3 | ||
| 9,7 | 108,03 | 265 | 13000 | 3,1 | 1400 | |
| 11,3 | 102,62 | 225 | 13000 | 3,6 | ||
| 13 | 144,79 | 198 | 13000 | 4,1 | ||
| 13,7 | 123,54 | 189 | 13000 | 4,3 | ||
| 0,37 | 6,4 | 108,03 | 560 | 12100 | 1,45 | 690 |
| 6,7 | 102,62 | 535 | 12300 | 1,55 | ||
| 7,7 | 90,04 | 470 | 12600 | 1,75 | ||
| 6,2 | 123,54 | 485 | 12500 | 1,7 | 900 | |
| 7,3 | 108,03 | 425 | 12700 | 1,95 | ||
| 8,3 | 102,62 | 405 | 12800 | 2 | ||
| 8,8 | 90,04 | 355 | 13000 | 2,3 | ||
| 9,7 | 144,79 | 370 | 12900 | 2,2 | 1400 | |
| 11,3 | 123,54 | 315 | 13000 | 2,6 | ||
| 13 | 108,03 | 275 | 13000 | 3 | ||
| 15,6 | 90,04 | 230 | 13000 | 3,6 | ||
| 18,3 | 76,37 | 196 | 13000 | 4,2 | ||
| 0,55 | 7,3 | 123,54 | 720 | 11100 | 1,15 | 900 |
| 8,3 | 108,03 | 630 | 11700 | 1,3 | ||
| 8,8 | 102,62 | 600 | 11900 | 1,35 | ||
| 10 | 90,04 | 525 | 12300 | 1,55 | ||
| 11,8 | 76,37 | 445 | 12600 | 1,85 | ||
| 11,3 | 123,54 | 475 | 12500 | 1,7 | 1400 | |
| 13 | 108,03 | 415 | 12800 | 1,95 | ||
| 15,6 | 90,04 | 350 | 13000 | 2,4 | ||
| 18,3 | 76,37 | 295 | 13000 | 2,8 | ||
| 0,75 | 11,3 | 123,54 | 640 | 11700 | 1,3 | |
| 13 | 108,03 | 560 | 12100 | 1,45 | ||
| 15,6 | 90,04 | 465 | 12600 | 1,75 | ||
| 18,3 | 76,37 | 395 | 12800 | 2,1 | ||
| 20 | 68,95 | 360 | 13000 | 2,3 | ||
| 0,75 | 23 | 60,66 | 315 | 13000 | 2,6 | 1400 |
| 24 | 57,28 | 295 | 13000 | 2,8 | ||
| 13 | 108,03 | 810 | 10400 | 1 | ||
| 1,1 | 13,7 | 102,62 | 770 | 10700 | 1,05 | 1400 |
| 15,6 | 90,04 | 675 | 11400 | 1,2 | ||
| 18,3 | 76,37 | 575 | 12000 | 1,45 | ||
| 20 | 68,95 | 515 | 12300 | 1,6 | ||
| 23 | 60,66 | 455 | 12600 | 1,8 | ||
| 24 | 57,28 | 430 | 12700 | 1,9 | ||
| 29 | 48,77 | 365 | 12900 | 2,2 | ||
| 32 | 44,32 | 335 | 13000 | 2,5 | ||
| 36 | 38,39 | 290 | 13000 | 2,8 | ||
| 15,6 | 90,04 | 910 | 9370 | 0,9 | ||
| 18,3 | 76,37 | 775 | 10700 | 1,05 | ||
| 1,5 | 20 | 68,95 | 700 | 11300 | 1,15 | 1400 |
| 23 | 60,66 | 615 | 11800 | 1,35 | ||
| 24 | 57,28 | 580 | 12000 | 1,4 | ||
| 29 | 48,77 | 495 | 12400 | 1,65 | ||
| 32 | 44,32 | 450 | 12600 | 1,8 | ||
| 36 | 38,39 | 390 | 12800 | 2 | ||
| 39 | 35,62 | 360 | 12900 | 2,3 | ||
| 46 | 30,22 | 305 | 13000 | 2,7 | ||
| 51 | 27,28 | 275 | 13000 | 3 | ||
| 58 | 24 | 245 | 13000 | 3,3 | ||
| 23 | 60,66 | 900 | 9490 | 0,9 | ||
| 24 | 57,28 | 850 | 10000 | 0,95 | ||
| 29 | 48,77 | 725 | 11100 | 1,15 | ||
| 32 | 44,32 | 660 | 11500 | 1,25 | ||
| 2,2 | 36 | 38,39 | 570 | 12100 | 1,4 | 1400 |
| 39 | 35,62 | 530 | 12300 | 1,55 | ||
| 46 | 30,22 | 450 | 12600 | 1,8 | ||
| 51 | 27,28 | 405 | 12800 | 2 | ||
| 58 | 24 | 360 | 13000 | 2,2 | ||
| 62 | 22,66 | 340 | 13000 | 2,3 | ||
| 73 | 19,3 | 1285 | 13000 | 2,6 | ||
| 80 | 17,54 | 260 | 13000 | 2,8 | ||
| 92 | 15,19 | 225 | 13000 | 3,1 | ||
| 106 | 13,22 | 197 | 13000 | 3,4 | ||
| 112 | 12,48 | 186 | 13000 | 2,8 | ||
| 132 | 10,63 | 158 | 13000 | 3,2 | ||
| 145 | 9,66 | 144 | 13000 | 3,3 | ||
| 167 | 8,37 | 125 | 13000 | 3,5 | ||
| 192 | 7,28 | 109 | 12700 | 3,9 | ||
| 32 | 44,32 | 910 | 9450 | 0,9 | ||
| 3 | 36 | 38,39 | 785 | 10600 | 1 | 1400 |
| 39 | 35,62 | 730 | 11100 | 1,15 | ||
| 46 | 30,22 | 620 | 11800 | 1,35 | ||
| 51 | 27,28 | 560 | 12100 | 1,45 | ||
| 58 | 24 | 490 | 12500 | 1,65 | ||
| 62 | 22,66 | 465 | 12600 | 1,7 | ||
| 73 | 19,3 | 395 | 12800 | 1,95 | ||
| 80 | 17,54 | 360 | 13000 | 2,1 | ||
| 92 | 15,19 | 310 | 13000 | 2,2 | ||
| 106 | 13,22 | 270 | 13000 | 2,5 | ||
| 112 | 12,48 | 255 | 13000 | 2,1 | ||
| 132 | 10,63 | 220 | 13000 | 2,3 | ||
| 145 | 9,66 | 198 | 13000 | 2,4 | ||
| 4 | 46 | 30,22 | 810 | 10400 | 1 | 1400 |
| 51 | 27,28 | 735 | 11000 | 1,1 | ||
| 58 | 24 | 645 | 11600 | 1,25 | ||
| 62 | 22,66 | 610 | 11800 | 1,3 | ||
| 73 | 19,3 | 520 | 12300 | 1,45 | ||
| 80 | 17,54 | 470 | 12500 | 1,55 | ||
| 92 | 15,19 | 410 | 12800 | 1,7 | ||
| 106 | 13,22 | 355 | 13000 | 1,9 | ||
| 112 | 12,48 | 335 | 13000 | 1,6 | ||
| 132 | 10,63 | 285 | 13000 | 1,75 | ||
| 145 | 9,66 | 260 | 13000 | 1,85 | ||
| 167 | 8,37 | 225 | 13000 | 1,95 | ||
| 192 | 7,28 | 196 | 13000 | 2,1 | ||
| 5,5 | 58 | 24 | 880 | 9720 | 0,9 | 1400 |
| 62 | 22,66 | 830 | 10200 | 0,95 | ||
| 73 | 19,3 | 710 | 11200 | 1,05 | ||
| 80 | 17,54 | 645 | 11600 | 1,15 | ||
| 92 | 15,19 | 560 | 12100 | 1,25 | ||
| 106 | 13,22 | 485 | 12500 | 1,4 | ||
| 112 | 12,48 | 460 | 12600 | 1,15 | ||
| 132 | 10,63 | 390 | 12400 | 1,3 | ||
| 145 | 9,66 | 355 | 12200 | 1,35 | ||
| 167 | 8,37 | 305 | 11900 | 1,45 | ||
| 192 | 7,28 | 265 | 11600 | 1,55 | ||
Монтажные исполнения
Каждая из моделей имеет свои собственные варианты крепления. В
частности, модели К, КА крепятся посредством лап, в то время как KF, KAF
посредством использования фланцев. Подобное конструктивное исполнение и
определяет в последующем его монтаж и установку в структуру
оборудования.
Продукция ООО «ПТЦ «ПРИВОД» может быть доставлена во все города Российской Федерации и страны ближнего зарубежья:
- Автотранспортом
- Железнодорожным транспортом
- Авиатранспортом
- Экспресс-доставка сборными видами транспорта (смешанные перевозки)
Транспортная компания
Мы работаем с основными транспортными компаниями. Самостоятельно договоримся о доставке и страховании груза, сэкономив время и деньги клиента.
Доставка может быть оформлена как до дверей заказчика, так и до терминала компании в городе заказчика.
Самовывоз
Если у вас есть возможность самостоятельно забрать продукцию, то мы будем рады помочь вам оформить самовывоз. Ваш заказ будет ждать вас по адресу: г. Пенза, ул. Бийская 1Г, в рабочие дни с 13:00 до 17:00 часов (с 8.00 до 12.00 часов по предварительному согласованию).
Заказ отдельной машины
В случае крупногабаритного заказа или особой срочности доставки мы организуем поиск отдельной машины.









