Цилиндро-конические редукторы UD-K, (KA, KF, KAF) (UD-K-47) | Ярославль
Цена по запросу
UD-K-47
Характеристики
Условное обозначение:

1. Модель редуктора
(К-исполнение на лапах со сквозными отверстиями и цельным валом,
KAB - исполнение лап со сквозными отверстиями и полым валом,
KA - исполнение лап с резьбовыми отверстиями и полым валом,
KF - исполнение на фланце с цельным валом,
KAF - исполнение на фланце с полым валом).
2. Габарит редуктора (37,47,57,67,77, 87, 97,107,127,157).
3. Исполнение с реактивным кронштейном.
4. Передаточное число.
5. (PAM 24/200)
24- диаметр полого входного вала редуктора (мм);
200- наружный диаметр входного фланца редуктора (мм).
6. Монтажная позиция редуктора (M1, M2, M3, M4, M5, M6).
7. Сторона расположение выходного цельнометаллического вала и фланца (A, B, AB),
выходного полого вала со стяжной муфтой сторона (A, B).
Редукторы производства ООО “ПТЦ ”ПРИВОД” сохраняют общие стандарты широко популярных Европейских цилиндрических мотор-редукторов, которых придерживаются большинство известных производителей: NORD, SEW-EURODRIVE, MOTOVARIO, TOS-ZNOJMO, VARVEL и др. Благодаря унифицированным присоединительным размерам мотор-редукторы могут служить заменой вышедших из строя мотор-редукторов вышеуказанных фирм.
Нормальная эксплуатация коническо-цилиндрических редукторов/мотор-редукторов обеспечивается при входных оборотах не более 1500 об/мин.
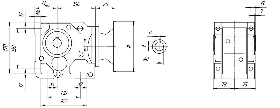
Габаритные и присоединительные размеры:
UD-K47 с цилиндрическим входным валом

UD-KA47...

UD-KAF47...

UD-KF47...
UD-KАB47...
Полый выходной вал
UD-K47...
Цельный выходной вал

UD-K...47/T...
Присоединительные размеры под электродвигатель
| Исполнение 1 | Исполнение 2 | Исполнение 3 | Исполнение 4 | |
| Р, мм | 140 | 160 | 200 | 250 |
| Z5, мм | 50 | 55 | 60 | 80 |
Расположение выходного вала и фланца (стороны A, B, AB)
Расположение выходного полого вала со стяжной муфтой (сторона A, B)

*Для редукторов серии К с полым валом и стяжной муфтой необходимо указать, какая сторона A или B, является стороной отбора мощности. Стяжная муфта расположена со стороны, противоположной стороне отбора мощности.
Таблица подбора редуктора
| Мощность, кВт | Частота вращения выходного вала, об/мин | Передаточное число | Крутящий момент, Нм | Допустимая радиальная нагрузка, Н | Сервис- фактор | Частота вращения эл.двигателя |
| 0,12 | 6,8 | 131,87 | 7930 | 2,4 | 900 | |
| 7,4 | 121,48 | 155 | 7990 | 2,6 | ||
| 8,6 | 104,37 | 133 | 8070 | 3 | ||
| 10,6 | 131,87 | 110 | 8140 | 3,7 | 1400 | |
| 11,5 | 121,48 | 101 | 8170 | 4 | ||
| 0,18 | 6,8 | 131,87 | 260 | 7380 | 1,55 | 900 |
| 7,4 | 121,48 | 240 | 7530 | 1,65 | ||
| 8,6 | 104,37 | 205 | 7740 | 1,95 | ||
| 9,9 | 90,86 | 180 | 7880 | 2,2 | ||
| 10,6 | 85,12 | 168 | 7930 | 2,4 | ||
| 0,18 | 13,4 | 104,37 | 136 | 8060 | 2,9 | 1400 |
| 15,4 | 90,86 | 118 | 8120 | 3,4 | ||
| 16,5 | 85,12 | 111 | 8140 | 3,6 | ||
| 0,25 | 6,8 | 131,87 | 360 | 6470 | 1,1 | 900 |
| 7,4 | 121,48 | 330 | 6780 | 1,2 | ||
| 8,6 | 104,37 | 285 | 7210 | 1,4 | ||
| 9,9 | 90,86 | 245 | 7480 | 1,6 | ||
| 10,6 | 85,12 | 230 | 7590 | 1,75 | ||
| 10,6 | 131,87 | 240 | 7510 | 1,65 | 1400 | |
| 11,5 | 121,48 | 225 | 7640 | 1,8 | ||
| 13,4 | 104,37 | 192 | 7820 | 2,1 | ||
| 15,4 | 90,86 | 167 | 7930 | 2,4 | ||
| 16,5 | 85,12 | 156 | 7980 | 2,6 | ||
| 0,37 | 8,6 | 104,37 | 410 | 5490 | 1 | 900 |
| 9,9 | 90,86 | 355 | 6480 | 1,1 | ||
| 10,6 | 85,12 | 335 | 6730 | 1,2 | ||
| 12 | 75,2 | 295 | 7100 | 1,35 | ||
| 10,6 | 131,87 | 340 | 6690 | 1,2 | 1400 | |
| 11,5 | 121,48 | 310 | 6960 | 1,3 | ||
| 13,4 | 104,37 | 265 | 7330 | 1,5 | ||
| 15,4 | 90,86 | 235 | 7580 | 1,7 | ||
| 16,5 | 85,12 | 220 | 7670 | 1,85 | ||
| 18,6 | 75,2 | 193 | 7810 | 2,1 | ||
| 20 | 69,84 | 179 | 7880 | 2,2 | ||
| 22 | 63,3 | 162 | 7960 | 2,5 | ||
| 0,55 | 13,4 | 104,37 | 405 | 5880 | 1 | |
| 15,4 | 90,86 | 350 | 6550 | 1,15 | ||
| 16,5 | 85,12 | 330 | 6790 | 1,2 | ||
| 18,6 | 75,2 | 290 | 7150 | 1,4 | ||
| 20 | 69,84 | 270 | 7310 | 1,5 | ||
| 22 | 63,3 | 245 | 7500 | 1,65 | ||
| 25 | 56,83 | 220 | 7660 | 1,8 | ||
| 29 | 48,95 | 189 | 7830 | 2,1 | ||
| 30 | 46,03 | 178 | 7880 | 2,2 | ||
| 0,75 | 18,6 | 75,2 | 390 | 6060 | 1 | |
| 20 | 69,84 | 365 | 6410 | 1,1 | ||
| 22 | 63,3 | 330 | 6790 | 1,2 | ||
| 25 | 56,83 | 295 | 7110 | 1,35 | ||
| 29 | 48,95 | 255 | 7430 | 1,55 | ||
| 30 | 46,03 | 240 | 7540 | 1,65 | ||
| 38 | 39,61 | 205 | 7740 | 1,95 | ||
| 40 | 35,39 | 184 | 7760 | 2,2 | ||
| 45 | 31,3 | 162 | 7550 | 2,5 | ||
| 1,1 | 25 | 56,83 | 425 | 3310 | 0,95 | |
| 29 | 48,95 | 365 | 6360 | 1,1 | ||
| 30 | 46,03 | 345 | 6610 | 1,15 | ||
| 38 | 39,61 | 295 | 7090 | 1,35 | ||
| 40 | 35,39 | 265 | 7090 | 1,5 | ||
| 45 | 31,3 | 235 | 6960 | 1,7 | ||
| 48 | 29,32 | 220 | 6890 | 1,8 | ||
| 1,1 | 54 | 25,91 | 194 | 6730 | 2,1 | |
| 64 | 21,81 | 164 | 6510 | 2,4 | ||
| 72 | 19,58 | 147 | 6360 | 2,7 | ||
| 1,5 | 38 | 39,61 | 400 | 5890 | 1 | |
| 40 | 35,39 | 360 | 6360 | 1,1 | ||
| 45 | 31,3 | 320 | 6310 | 1,25 | ||
| 48 | 29,32 | 300 | 6270 | 1,35 | ||
| 54 | 25,91 | 265 | 6190 | 1,5 | ||
| 64 | 21,81 | 220 | 6050 | 1,8 | ||
| 72 | 19,58 | 199 | 5950 | 2 | ||
| 83 | 16,86 | 171 | 5800 | 2,2 | ||
| 88 | 15,86 | 161 | 5730 | 2,4 | ||
| 103 | 13,65 | 139 | 5560 | 2,6 | ||
| 115 | 12,19 | 124 | 5430 | 2,8 | ||
| 125 | 11,77 | 120 | 5340 | 2,3 | ||
| 2,2 | 54 | 25,91 | 385 | 5260 | 1,05 | |
| 64 | 21,81 | 325 | 5260 | 1,25 | ||
| 72 | 19,58 | 290 | 5240 | 1,35 | ||
| 83 | 16,86 | 250 | 5190 | 1,5 | ||
| 88 | 15,86 | 235 | 5160 | 1,6 | ||
| 103 | 13,65 | 205 | 5070 | 1,75 | ||
| 115 | 12,19 | 182 | 4990 | 1,95 | ||
| 125 | 11,77 | 175 | 4890 | 1,6 | ||
| 133 | 10,56 | 157 | 4810 | 1,8 | ||
| 154 | 9,1 | 136 | 4690 | 2,1 | ||
| 3 | 72 | 19,58 | 400 | 4430 | 1 | |
| 83 | 16,86 | 345 | 4490 | 1,1 | ||
| 88 | 15,86 | 325 | 4500 | 1,15 | ||
| 103 | 13,65 | 280 | 4510 | 1,3 | ||
| 115 | 12,19 | 250 | 4490 | 1,4 | ||
| 125 | 11,77 | 240 | 4370 | 1,15 | ||
| 133 | 10,56 | 215 | 4350 | 1,3 | ||
| 154 | 9,1 | 186 | 4290 | 1,5 | ||
| 154 | 8,56 | 175 | 4270 | 1,55 | ||
| 190 | 7,36 | 151 | 4190 | 1,65 | ||
| 213 | 6,58 | 135 | 4120 | 1,8 | ||
| 241 | 5,81 | 119 | 4030 | 1,95 |
Монтажные исполнения
Каждая из моделей имеет свои собственные варианты крепления. В частности, модели К, КА крепятся посредством лап, в то время как KF, KAF посредством использования фланцев. Подобное конструктивное исполнение и определяет в последующем его монтаж и установку в структуру оборудования.
Продукция ООО «ПТЦ «ПРИВОД» может быть доставлена во все города Российской Федерации и страны ближнего зарубежья:
- Автотранспортом
- Железнодорожным транспортом
- Авиатранспортом
- Экспресс-доставка сборными видами транспорта (смешанные перевозки)
Транспортная компания
Мы работаем с основными транспортными компаниями. Самостоятельно договоримся о доставке и страховании груза, сэкономив время и деньги клиента.
Доставка может быть оформлена как до дверей заказчика, так и до терминала компании в городе заказчика.
Самовывоз
Если у вас есть возможность самостоятельно забрать продукцию, то мы будем рады помочь вам оформить самовывоз. Ваш заказ будет ждать вас по адресу: г. Пенза, ул. Бийская 1Г, в рабочие дни с 13:00 до 17:00 часов (с 8.00 до 12.00 часов по предварительному согласованию).
Заказ отдельной машины
В случае крупногабаритного заказа или особой срочности доставки мы организуем поиск отдельной машины.



