Червячные мотор-редукторы UD-RV (аналог NMRV) (UD-RV075) | Пенза
Цена по запросу
UD-RV-075
Червячный мотор-редуктор UD-RV075 (аналог NMRV) отличается модернизированным универсальным корпусом позволяющим осуществить монтаж мотор-редуктора в любом положении. Червячный одноступенчатый мотор-редуктор серии UD-RV (аналог NMRV) является модернизированной серией, изготавливаемой с использованием технологии литья под давлением. Благодаря унифицированным присоединительным размерам могут служить заменой вышедших из строя мотор-редукторов других фирм. Червячный мотор-редуктор серии UD-RV (аналог NMRV) является аналогом червячных мотор-редукторов серии MU и серии XC.
- Модель: UD-RV075 (аналог NMRV)
- Размер: 75
- Передаточное отношение: "i" = 5:1 - 100:1
- Мощность: 0,06 - 15 кВт с трёхфазным 4х-полюсным двигателем
- Крутящий момент: 1,8 - 1760 Нм
- Допустимая радиальная нагрузка: 17800 Н
Редукторы 75 габарита изготовлены из литого алюминиевого сплава. Редукторы из алюминия поставляются в комплекте с синтетическим маслом и позволяют устанавливать в любой монтажной позиции, при этом нет необходимости изменять количества смазки. Червячное колесо из специального износоустойчивого сплава высокооловянистой бронзы Бр 010Ф1. Червячный вал из конструкционной легированной стали. Сталь, проходя термическую и финишную обработку, приобретает твердость зуба от 56 до 60HRC. Толщина слоя цементации от 0,3 до 0,5 мм после точной шлифовальной обработки.
Окраска поверхностей. Корпус из алюминиевого сплава :
- Дробеструйная специальная антисептическая обработка поверхности алюминиевого сплава;
- После фосфатирования наносится краска RAL5010, цвет – синий.
Характеристики
Условное обозначение:

1. Модель редуктора.
2. Габарит редуктора.
3. Передаточное число (5;7,5;10;15;20;25;30;40;50;60;80;100)
4. Число оборотов выходного вала, об/мин.
5. Мощность электродвигателя, кВт.
6. Наличие электромагнитного тормоза у электродвигателя,
(Е- одинарный тормоз, ЕЕ- двойной тормоз,
Е(МШ)- одинарный малошумный тормоз,
ЕЕ(МШ)- двойной малошумный тормоз).
7. Тип фланца электродвигателя (В5;В14).
8. Фланец на выходном валу редуктора (FA;FB;FC;FD;FE).
9. Исполнение с выходным валом (SS1;SS2;DS).
10. Исполнение с реактивной штангой (А1;А2).
11. Монтажное положение (В3;В6;В7;В8;V5;V6).
12. Дополнительные опции.
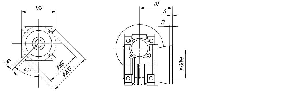
Габаритные и присоединительные размеры
UD-RV075 (NMRV 75)

| PM | DME8 | BM | tM |
| 250 | 28 | 8 | 31,3 |
| 250 | 24 | 8 | 27,3 |
| 200 | 22 | 6 | 21,8 |
| 200 | 19 | 6 | 21,8 |
| 160 | 14 | 5 | 16,3 |
| 160 | 28 | 8 | 31,3 |
| 140 | 24 | 8 | 27,3 |
| 120 | 22 | 6 | 21,8 |
| 120 | 19 | 6 | 21,8 |
| KM, мм | В зависимости от смонтированного электродвигателя |
| АС, мм | В зависимости от смонтированного электродвигателя |
| AD, мм | В зависимости от смонтированного электродвигателя |
| P, мм |
В зависимости от смонтированного электродвигателя |
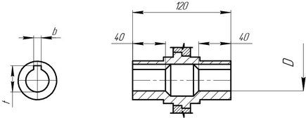
UD-RV-E-075

Исполнение выходного вала
Полый
| Dh8 | b | t |
| 28 | 8 | 31.3 |
| 35* | 10* | 38.3* |
* - Специальное исполнение
Односторонний и двухсторонний

| d h6 | B | B1 | G1 | L | L1 | f | b1 | t1 |
| 28 | 60 | 63,5 | 120 | 192 | 247 | м10 | 8 |
31 |
Исполнение выходного фланца FA

Исполнение выходного фланца FB

Реактивная штанга

| K1 | G | KG | KH | R |
| 200 | 25 | 47.5 | 20 | 30 |
Варианты сборки (монтажные положения) UD-RV075 (NMRV 75)
.jpg)
С реактивной штангой

С выходным фланцем

С выходным валом

Замена редуктора 6МЧ, 6-ES, NMRV аналогом - приводом UD-RV.
Чтобы оценить целесообразность и выгоду замены 6МЧ, 6-ES, NMRV на редукторы UD-RV, Вам необходимо сравнить для себя следующие параметры:
- цена,
- качество,
- производитель,
- технические характеристики,
- сроки поставки,
- гарантийное обслуживание
Компания ООО Привод поможет Вам в анализе этих двух аналогов. Звоните нашим менеджерам по телефону: 8-800-2000-220.
Технические характеристики
| Мощность двигателя, кВт | Частота вращения вых. вала, об/мин, n2, 1/мин | Крутящий момент, Нм | Сервис-фактор fs | Передаточное число i | Тип мотор-редуктора | Двигатель IEC | Радиальная нагрузка, Fr2 |
|
0.25 UDM 56B4 AIS 63B2 АИР 56В2 UDM 63A4 AIS 71A4 АИР 63А4 UDM 63B6 AIS 71B6 АИР 63В6 |
17.5 | 80 | 2.3 | 80 | UD-RV075 |
AIS 71A4 АИР 63А4 |
6130 |
| 14.0 | 94 | 1.9 | 100 | 6603 | |||
| 11.3 | 116 | 1.7 | 80 | UD-RV075 |
UDM 63B6 AIS 71B6 АИР 63В6 |
7103 | |
| 9.0 | 133 | 1.4 | 100 | 7380 | |||
|
0.37 UDM 63A2 AIS 71A2 АИР 63А2 UDM 63B4 AIS 71B4 АИР 63В4 UDM 63A6 AIS 80A6 АИР 63А6 |
23.3 | 97 | 2.0 | 60 | UD-RV075 |
UDM 63B4 AIS 71B4 АИР 63В4 |
5569 |
| 17.5 | 119 | 1.6 | 80 | 6130 | |||
| 14.0 | 139 | 1.3 | 100 | 6603 | |||
| 18.0 | 124 | 1.8 | 50 | UD-RV075 |
UDM 63A6 AIS 80A6 АИР 63А6 |
6073 | |
| 15.0 | 141 | 1.5 | 60 | 6453 | |||
| 11.3 | 172 | 1.2 | 80 | 7103 | |||
| 9.0 | 196 | 1.0 | 100 | 7380 | |||
|
0.55 UDM 63B2 AIS 71B2 АИР 63В2 UDM71A4 AIS 80A4 АИР 71А4 UDM 71B6 AIS 80B6 АИР 71В6 |
35.0 | 99 | 1.3 | 80 | UD-RV075 |
AIS 71B2 АИР 63B2 |
4865 |
| 35.0 | 108 | 2.0 | 40 | UD-RV075 |
UDM 71A4 AIS 80A4 АИР 71А4 |
4865 | |
| 28.0 | 128 | 1.6 | 50 | 5241 | |||
| 23.3 | 144 | 1.4 | 60 | 5569 | |||
| 17.5 | 177 | 1.1 | 80 | 6130 | |||
| 14.0 | 206 | 0.9 | 100 | 6603 | |||
| 30.0 | 124 | 2.0 | 30 | UD-RV075 |
UDM 71B6 AIS 80B6 АИР 71В6 |
5122 | |
| 22.5 | 156 | 1.5 | 40 | 5637 | |||
| 18.0 | 184 | 1.2 | 50 | 6073 | |||
| 15.0 | 210 | 1.0 | 60 | 6453 | |||
|
0.75 UDM 71A2 AIS 80A2 АИР 71А2 UDM 71B4 AIS 80B4 АИР 71В4 UDM 80A6 AIS 90S6 АИР 80А6 |
46.7 | 107 | 1.3 | 60 | UD-RV075 |
AIS 80A2 АИР 71А4 |
4421 |
| 28 | 159 | 0.8 | 100 | 5241 | |||
| 56.0 | 101 | 2.0 | 25 | UD-RV075 |
UDM 71B4 AIS 80B4 АИР 71В4 |
4160 | |
| 46.7 | 117 | 2.0 | 30 | 4421 | |||
| 35.0 | 147 | 1.5 | 40 | 4865 | |||
| 28.0 | 174 | 1.2 | 50 | 5241 | |||
| 23.3 | 197 | 1.0 | 60 | 5569 | |||
| 60.0 | 97 | 5.4 | 15 | UD-RV075 |
UDM 80A6 AIS 90S6 АИР 80А6 |
4065 | |
| 45.0 | 124 | 1.9 | 20 | 4474 | |||
| 36.0 | 149 | 1.4 | 25 | 4820 | |||
| 30.0 | 170 | 1.5 | 30 | 5122 | |||
| 22.5 | 213 | 1.1 | 40 | 5637 | |||
|
1.1 UDM 71B2 AIS 80B2 АИР 71В2 UDM 80B6 AIS 90L6 АИР 80В6 UDM 80A4 AIS 90S4 АИР 80А4 |
112 | 77 | 1.9 | 25 | UD-RV075 |
UDM 71B2 AIS 80B2 АИР 71В2 |
3302 |
| 93.3 | 89 | 1.9 | 30 | 3509 | |||
| 70 | 114 | 1.4 | 40 | 3862 | |||
| 56 | 137 | 1.1 | 50 | 4160 | |||
| 46.7 | 157 | 0.9 | 60 | 4421 | |||
| 90.0 | 98 | 2.3 | 10 | UD-RV075 |
UDM 80B6 AIS 90L8 АИР 80В6 |
3551 | |
| 60.0 | 142 | 1.6 | 15 | 4065 | |||
| 45.0 | 182 | 1.3 | 20 | 4474 | |||
| 36.0 | 219 | 1.0 | 25 | 4820 | |||
| 30.0 | 249 | 1.0 | 30 | 5122 | |||
| 93.3 | 96 | 2.1 | 15 | UD-RV075 |
UDM 80A4 AIS 90S4 АИР 80А4 |
3509 | |
| 70.0 | 122 | 1.7 | 20 | 3862 | |||
| 56.0 | 148 | 1.3 | 25 | 4160 | |||
| 46.7 | 171 | 1.3 | 30 | 4421 | |||
| 35.0 | 216 | 1.0 | 40 | 4865 | |||
|
1.5 UDM 80A2 AIS 90S2 АИР 80А2 UDM 80B4 AIS 90L4 АИР 80В4 UDM 90L6 AIS 100L6 АИР 90L6 |
120.0 | 103 | 2.0 | 7.5 | UD-RV075 |
UDM 90L6 AIS 100L6 АИР 90L6 |
3227 |
| 90.0 | 134 | 1.7 | 10 | 3551 | |||
| 60.0 | 193 | 1.2 | 15 | 4065 | |||
| 140.0 | 89 | 2.2 | 10 | UD-RV075 |
UDM 80B4 AIS 90L4 АИР 80В4 |
3065 | |
| 93.3 | 129 | 1.5 | 15 | 3509 | |||
| 70.0 | 166 | 1.3 | 20 | 3862 | |||
| 56.0 | 202 | 1.0 | 25 | 4160 | |||
| 46.7 | 233 | 1.0 | 30 | 4421 | |||
| 280 | 45 | 3.1 | 10 | UD-RV075 |
UDM 80A2 AIS 90S2 АИР 80А2 |
2433 | |
| 186.7 | 66 | 2.2 | 15 | 2785 | |||
| 140 | 86 | 1.8 | 20 | 3065 | |||
| 112 | 105 | 1.4 | 25 | 3302 | |||
| 93.3 | 121 | 1.4 | 30 | 3509 | |||
| 70 | 156 | 1 | 40 | 3862 | |||
| 56 | 187 | 0.8 | 50 | 4160 | |||
| 46.7 | 215 | 0.7 | 60 | 4421 | |||
|
2.2 UDM 80B2 AIS 90L2 АИР 80B2 UDM 90L4 AIS 100LA4 АИР 90L4 UDM 100L6 AIS 112M6 АИР 100L6 |
186.7 | 99 | 1.8 | 7.5 | UD-RV075 |
UDM 90L4 AIS 100LA4 АИР 90L4 |
2785 |
| 140.0 | 131 | 1.5 | 10 | 3065 | |||
| 93.3 | 189 | 1.0 | 15 | 3509 | |||
| 373.3 | 50 | 2.5 | 7.5 | UD-RV075 |
UDM 80B2 AIS 90L2 АИР 80В2 |
2210 | |
| 280 | 66 | 2.1 | 10 | 2433 | |||
| 186.7 | 97 | 1.5 | 15 | 2785 | |||
| 140 | 126 | 1.3 | 20 | 3065 | |||
| 112 | 154 | 1 | 25 | 3302 | |||
| 93.3 | 178 | 0.9 | 30 | 3509 | |||
|
3.0 UDM 90L2 AIS 100L2 АИР 90L2 UDM 100S4 AIS 100LB4 АИР 100S4 UDM 112MA6 AIS 132S6 АИР 112MA6 |
373.3 | 68 | 1.9 | 7.5 | UD-RV075 |
AIS 100L2 АИР 90L2 |
2210 |
| 280 | 90 | 1.6 | 10 | 2433 | |||
| 186.7 | 135 | 1.4 | 7.5 | UD-RV075 |
UDM 100S4 AIS 100LB4 АИР 100S4 |
2785 | |
| 140.0 | 178 | 1.1 | 10 | 3065 | |||
| 93.3 | 258 | 0.8 | 15 | 3509 | |||
|
4.0 UDM 100S2 AIS 112M2 АИР 100S2 UDM 100L4 AIS 112M4 АИР 100L4 UDM 112MB6 AIS 132MA6 АИР 112MB6 |
373.3 | 91 | 1.4 | 10 | UD-RV075 |
AIS 112M2 АИР 100S2 |
2210 |
| 280 | 120 | 1.2 | 7.5 | 2433 | |||
| 186.7 | 180 | 1.0 | 10 | UD-RV075 |
AIS 112M4 АИР 100L4 |
2785 | |
| 140.0 | 237 | 0.8 | 7.5 | 3065 |
Комплектующие
1. Защитный кожух
2. Боковой фланец
FA
FB
3. Цельный выходной вал
4. Реактивная штанга
5. Другие комплектующие
- Термостойкие сальники
- Три вида смазок: для работы при низких температурах, для работы при высоких температурах и подходящая для пищевой промышленности.
Продукция ООО «ПТЦ «ПРИВОД» может быть доставлена во все города Российской Федерации и страны ближнего зарубежья:
- Автотранспортом
- Железнодорожным транспортом
- Авиатранспортом
- Экспресс-доставка сборными видами транспорта (смешанные перевозки)
Транспортная компания
Мы работаем с основными транспортными компаниями. Самостоятельно договоримся о доставке и страховании груза, сэкономив время и деньги клиента.
Доставка может быть оформлена как до дверей заказчика, так и до терминала компании в городе заказчика.
Самовывоз
Если у вас есть возможность самостоятельно забрать продукцию, то мы будем рады помочь вам оформить самовывоз. Ваш заказ будет ждать вас по адресу: г. Пенза, ул. Бийская 1Г, в рабочие дни с 13:00 до 17:00 часов (с 8.00 до 12.00 часов по предварительному согласованию).
Заказ отдельной машины
В случае крупногабаритного заказа или особой срочности доставки мы организуем поиск отдельной машины.
