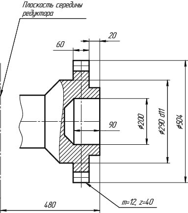
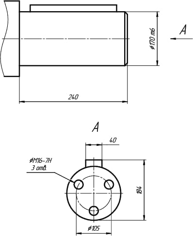
Цилиндрические горизонтальные двухступенчатые крановые редукторы серии Ц2 применяются в приводах кранового оборудования, обеспечивая надежное и стабильное преобразование вращательного момента в условиях переменных нагрузок. Это специализированные редукторы для кранов и грузоподъемных механизмов, рассчитанные на работу в повторно-кратковременных режимах, где требуется высокая точность, стойкость к пиковым моментам и устойчивость к износу.
Конструкция крановых редукторов Ц2 обеспечивает оптимальное распределение нагрузок, повышенную долговечность зубчатых передач и стабильность работы при передаточных числах от 8 до 50. Благодаря этому оборудование эффективно используется в подъемных механизмах, лебедках, тележках кранов, а также может внедряться в другие промышленные машины, работающие в аналогичных условиях.
Такие крановые редукторы отличаются компактностью, надежностью и адаптированы для эксплуатации в сложных производственных средах, что делает их востребованным решением для крановой техники и систем грузоперемещения.




