Червячные мотор-редукторы UD-RV (аналог NMRV) (UD-RV150) | Ростов-на-Дону
Цена по запросу
UD-RV-150
Червячный мотор-редуктор UD-RV150 (аналог NMRV) отличается модернизированным универсальным корпусом позволяющим осуществить монтаж мотор-редуктора в любом положении. Червячный одноступенчатый мотор-редуктор серии UD-RV (аналог NMRV) является модернизированной серией, изготавливаемой с использованием технологии литья под давлением. Благодаря унифицированным присоединительным размерам могут служить заменой вышедших из строя мотор-редукторов других фирм. Червячный мотор-редуктор серии UD-RV (аналог NMRV) является аналогом червячных мотор-редукторов серии MU и серии XC.
Мы всегда следим за ценами на рынке и стараемся предложить наиболее выгодные для вас условия покупки. Поэтому цена на редуктор минимальна на рынке. Вы можете купить редуктор как по розничной, так и по оптовой цене. Свяжитесь с нашим менеджером по тел. 8 (800) 2000-220!
- Модель: UD-RV 150 (аналог NMRV)
- Размер: 150
- Передаточное отношение: "i" = 5:1 - 100:1
- Мощность: 0,06 - 15 кВт с трёхфазным 4х-полюсным двигателем
- Крутящий момент: 1,8 - 1760 Нм
- Допустимая радиальная нагрузка: 17800 Н
Редукторы 150 габарита изготовлены из серого чугуна СЧ20. Редукторы из алюминия поставляются в комплекте с синтетическим маслом и позволяют устанавливать в любой монтажной позиции, при этом нет необходимости изменять количества смазки. Червячное колесо из специального износоустойчивого сплава высокооловянистой бронзы Бр 010Ф1. Червячный вал из конструкционной легированной стали. Сталь, проходя термическую и финишную обработку, приобретает твердость зуба от 56 до 60HRC. Толщина слоя цементации от 0,3 до 0,5 мм после точной шлифовальной обработки.
Окраска поверхностей. Корпус из серого чугуна:
- Первая обработка - красной антикоррозионной краской;
- Затем наносится краска - RAL5010, цвет – синий.
Характеристики
Условное обозначение:
2. Габарит редуктора.
3. Передаточное число (5;7,5;10;15;20;25;30;40;50;60;80;100)
4. Число оборотов выходного вала, об/мин.
5. Мощность электродвигателя, кВт.
6. Наличие электромагнитного тормоза у электродвигателя,
(Е- одинарный тормоз, ЕЕ- двойной тормоз,
Е(МШ)- одинарный малошумный тормоз,
ЕЕ(МШ)- двойной малошумный тормоз).
7. Тип фланца электродвигателя (В5;В14).
8. Фланец на выходном валу редуктора (FA;FB;FC;FD;FE).
9. Исполнение с выходным валом (SS1;SS2;DS).
10. Исполнение с реактивной штангой (А1;А2).
11. Монтажное положение (В3;В6;В7;В8;V5;V6).
12. Дополнительные опции.
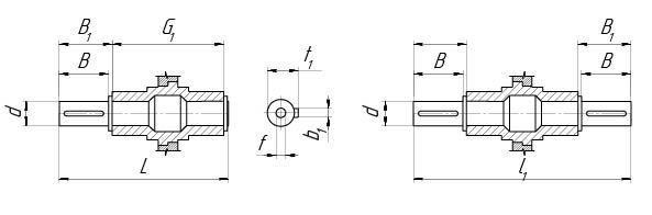
Габаритные и присоединительные размеры
UD-RV150 (NMRV 150)

| PM | DME8 | BM | tM |
| 250 | 38 | 10 | 41,3 |
| 300 | 32 | 8 | 35,3 |
| 250 | 38 | 8 | 31,3 |
| KM, мм | В зависимости от смонтированного электродвигателя |
| АС, мм | В зависимости от смонтированного электродвигателя |
| AD, мм | В зависимости от смонтированного электродвигателя |
| P, мм |
В зависимости от смонтированного электродвигателя |
UD-RV-E-150

Выходные валы
Цельный и полый вал

Односторонний и двухсторонний

| d h6 | B | B1 | G1 | L | L1 | f | b1 | t1 |
| 50 | 82 | 87 | 200 | 297 | 374 | м16 | 14 |
53,5 |
Исполнение выходного фланца FA

Реактивная штанга

| K1 | G | KG | KH | R |
| 250 | 30 | 84 | 25 | 35 |
Варианты сборки (монтажные положения) UD-RV150 (NMRV 150)
.jpg)
С реактивной штангой

С выходным фланцем

С выходным валом

Замена редуктора 6МЧ, 6-ES, NMRV аналогом - приводом UD-RV.
Чтобы оценить целесообразность и выгоду замены 6МЧ, 6-ES, NMRV на редукторы UD-RV, Вам необходимо сравнить для себя следующие параметры:
- цена,
- качество,
- производитель,
- технические характеристики,
- сроки поставки,
- гарантийное обслуживание
Компания ООО Привод поможет Вам в анализе этих двух аналогов. Звоните нашим менеджерам по телефону: 8-800-2000-220.
Технические характеристики
| Мощность двигателя, кВт | Частота вращения вых. вала, об/мин, n2, 1/мин | Крутящий момент, Нм | Сервис-фактор fs | Передаточное число i | Тип мотор-редуктора | Двигатель IEC | Радиальная нагрузка, Fr2 |
|
2.2 UDM 80B2 AIS 90L2 АИР 80B2 UDM 90L4 AIS 100LA4 АИР 90L4 UDM 100L6 AIS 112M6 АИР 100L6 |
28.0 | 570 | 2.5 | 50 | UD-RV150 |
UDM 90L4 AIS 100LA4 АИР 90L4 |
13103 |
| 23.3 | 657 | 1.9 | 60 | 13924 | |||
| 17.5 | 816 | 1.4 | 80 | 15325 | |||
| 14.0 | 960 | 1.0 | 100 | 16508 | |||
|
3.0 UDM 90L2 AIS 100L2 АИР 90L2 UDM 100S4 AIS 100LB4 АИР 100S4 UDM 112MA6 AIS 132S6 АИР 112MA6 |
28.0 | 778 | 1.8 | 50 | UD-RV150 |
UDM 100S4 AIS 100LB4 АИР 100S4 |
13103 |
| 23.3 | 896 | 1.4 | 60 | 13924 | |||
| 17.5 | 1113 | 1.0 | 80 | 15325 | |||
| 14.0 | 1310 | 0.8 | 100 | 16508 | |||
|
4.0 UDM 100S2 AIS 112M2 АИР 100S2 UDM 100L4 AIS 112M4 АИР 100L4 UDM 112MB6 AIS 132MA6 АИР 112MB6 |
28.0 | 1037 | 1.4 | 50 | UD-RV150 |
UDM 100L4 AIS 112M4 АИР 100L4 |
13103 |
| 23.3 | 1195 | 1.1 | 60 | 13924 | |||
| 17.5 | 1484 | 0.8 | 80 | 15325 | |||
|
5.5 UDM 112M4 AIS 132S4 АИР 112М4 |
70.0 | 645 | 2.0 | 20 | UD-RV150 |
UDM 112M4 AIS 132S4 АИР 112М4 |
9654 |
| 56.0 | 788 | 1.5 | 25 | 10400 | |||
| 46.7 | 934 | 1.3 | 30 | 11051 | |||
| 35.0 | 1171 | 1.3 | 40 | 12163 | |||
| 28.0 | 1426 | 1.0 | 50 | 13103 | |||
| 23.3 | 1643 | 0.8 | 60 | 13924 | |||
|
7.5 UDM 132S4 AIS 132M4 АИР 132S4 |
70.0 | 880 | 1.5 | 20 | UD-RV150 |
UDM 132S4 AIS 132M4 АИР 132S4 |
9654 |
| 56.0 | 1074 | 1.1 | 25 | 10400 | |||
| 46.7 | 1274 | 0.9 | 30 | 11051 | |||
| 35.0 | 1596 | 1.0 | 40 | 12163 | |||
|
11 UDM 132M4 AIS160M4 АИР 132M4 |
186.7 | 512 | 2.3 | 8 | UD-RV150 |
UDM 132M4 AIS 160M4 АИР 132M4 |
6962 |
| 140.0 | 675 | 1.8 | 10 | 7663 | |||
| 93.3 | 990 | 1.3 | 15 | 8771 | |||
| 70.0 | 1291 | 1.0 | 20 | 9654 | |||
| 56.0 | 1576 | 0.8 | 25 | 10400 | |||
|
15 UDM 160S4 AIS 160L4K АИР 160S4 |
186.7 | 698 | 1.7 | 8 | UD-RV150 |
UDM 160M4 AIS 160L4K АИР 160M4 |
6962 |
| 140.0 | 921 | 1.3 | 10 | 7663 | |||
| 93.3 | 1351 | 0.9 | 15 | 8771 | |||
| 70.0 | 1760 | 0.7 | 20 | 9654 |
Комплектующие
1. Защитный кожух
2. Боковой фланец
FA
3. Цельный выходной вал
4. Реактивная штанга
5. Другие комплектующие
- Термостойкие сальники
- Три вида смазок: для работы при низких температурах, для работы при высоких температурах и подходящая для пищевой промышленности.
Продукция ООО «ПТЦ «ПРИВОД» может быть доставлена во все города Российской Федерации и страны ближнего зарубежья:
- Автотранспортом
- Железнодорожным транспортом
- Авиатранспортом
- Экспресс-доставка сборными видами транспорта (смешанные перевозки)
Транспортная компания
Мы работаем с основными транспортными компаниями. Самостоятельно договоримся о доставке и страховании груза, сэкономив время и деньги клиента.
Доставка может быть оформлена как до дверей заказчика, так и до терминала компании в городе заказчика.
Самовывоз
Если у вас есть возможность самостоятельно забрать продукцию, то мы будем рады помочь вам оформить самовывоз. Ваш заказ будет ждать вас по адресу: г. Пенза, ул. Бийская 1Г, в рабочие дни с 13:00 до 17:00 часов (с 8.00 до 12.00 часов по предварительному согласованию).
Заказ отдельной машины
В случае крупногабаритного заказа или особой срочности доставки мы организуем поиск отдельной машины.
