Червячные двухступенчатые мотор-редукторы UD-DRV(аналог DRV) (UD-DRV063/130) | Омск
Цена по запросу
UD-DRV-063/130
Характеристики
Условное обозначение:

2. Габарит 1 ступени/ 2 ступени, мм (30,40,50,63,75,90,110,130,150)
3. Передаточное число (5;7,5;10;15;20;25;30;40;50;60;80;100)
4. Число оборотов выходного вала, об/мин.
5. Мощность электродвигателя, кВт.
6. Наличие электромагнитного тормоза у электродвигателя,
(Е- одинарный тормоз, ЕЕ- двойной тормоз,
Е(МШ)- одинарный малошумный тормоз,
ЕЕ(МШ)- двойной малошумный тормоз).
7. Тип фланца электродвигателя (В5;В14).
8. Фланец на выходном валу редуктора (FA;FB;FC;FD;FE).
9. Исполнение с выходным валом (SS1;SS2;DS).
10. Монтажное положение (AS1;AS2;BS1;BS2;VS1;VS2;PS1;PS2)
11. Дополнительные опции.
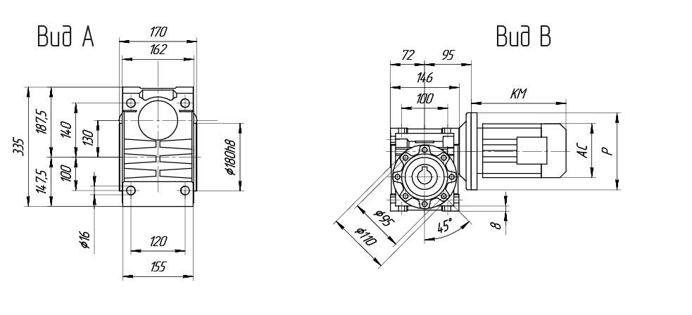
Габаритные и присоединительные размеры
Исполнение валов
Односторонний и двухсторонний
| d h6 | B | B1 | G1 | L | L1 | f | b1 | t1 |
| 45 | 80 | 85 | 170 | 265 | 340 | м16 | 14 | 48,5 |
Реактивная штанга

| K1 | G | KG | KH | R |
| 100 | 14 | 31,5 | 10 |
18 |
Варианты сборки (монтажные положения)

С реактивной штангой
С выходным фланцем
С выходным валом
Технические характеристики
| Мощность двигателя, кВт | Частота вращения вых. вала, об/мин, n2, 1/мин | Крутящий момент, Нм | Сервис-фактор fs | Передаточное число i | Тип мотор-редуктора | Двигатель IEC | Радиальная нагрузка, Fr2 |
|
0.25 UDM 56B4 AIS 63B2 АИР 56В2 UDM 63A4 AIS 71A4 АИР 63А4 UDM 63B6 AIS 71B6 АИР 63В6 |
0.58 | 1358 | 1.0 | 2400 | UD-DRV063/130 |
UDM 63A4 AIS 71A4 АИР 63A4 |
13500 |
| 0.47 | 1326 | 0.8 | 3000 | 13500 | |||
| 0.35 | 1910 | 0.6 | 4000 | 13500 | |||
| 0.28 | 2132 | 0.5 | 5000 | 13500 | |||
|
0.37 UDM 63A2 AIS 71A2 АИР 63А2 UDM 63B4 AIS 71B4 АИР 63В4 UDM 63A6 AIS 80A6 АИР 63А6 |
0.93 | 1444 | 1.1 | 1500 | UD-DRV063/130 |
AIS 71B4 АИР 63В4 |
13500 |
| 0.78 | 1586 | 0.9 | 1800 | 13500 | |||
|
0.55 UDM 63B2 AIS 71B2 АИР 63В2 UDM71A4 AIS 80A4 АИР 71А4 UDM 71B6 AIS 80B6 АИР 71В6 |
2.8 | 957 | 1.6 | 500 | UD-DRV063/130 |
UDM 71A4 AIS 80A4 АИР 71А4 |
13500 |
| 1.9 | 1382 | 1.2 | 750 | 13500 | |||
| 1.2 | 2057 | 0.8 | 1200 | 13500 | |||
|
0.75 UDM 71A2 AIS 80A2 АИР 71А2 UDM 71B4 AIS 80B4 АИР 71В4 UDM 80A6 AIS 90S6 АИР 80А6 |
2.8 | 1305 | 1.1 | 500 | UD-DRV063/130 |
UDM 71B4 AIS 80B4 АИР 71В4 |
13500 |
| 2.3 | 1557 | 1.0 | 600 | 13500 | |||
| 1.9 | 1772 | 0.9 | 750 | 13500 | |||
| 1.6 | 2014 | 0.8 | 900 | 13500 | |||
|
1.1 UDM 71B2 AIS 80B2 АИР 71В2 UDM 80B6 AIS 90L6 АИР 80В6 UDM 80A4 AIS 90S4 АИР 80А4 |
4.7 | 1274 | 1.3 | 300 | UD-DRV063/130 |
UDM 80A4 AIS 90S4 АИР 80А4 |
13500 |
| 3.5 | 1621 | 1.0 | 400 | 13500 | |||
| 2.8 | 1913 | 0.8 | 500 | 13500 | |||
|
1.5 UDM 80A2 AIS 90S2 АИР 80А2 UDM 80B4 AIS 90L4 АИР 80В4 UDM 90L6 AIS 100L6 АИР 90L6 |
9.3 | 878 | 1.9 | 300 | UD-DRV063/130 |
UDM 80A2 AIS 90S2 АИР 80А2 |
13500 |
| 7.0 | 1105 | 1.4 | 400 | 13500 | |||
| 5.6 | 1305 | 1.1 | 500 | 13500 | |||
| 4.7 | 1737 | 1.0 | 300 | UD-DRV063/130 |
AIS 90L4 АИР 80В4 |
13500 | |
| 3.5 | 2210 | 0.7 | 400 | 13500 |
Комплектующие
1. Защитный кожух
2. Боковой фланец
3. Цельный выходной вал
4. Реактивная штанга
5. Другие комплектующие
• Термостойкие сальники
• Три вида смазок: для работы при низких температурах, для работы при высоких температурах и подходящая для пищевой промышленности.
Продукция ООО «ПТЦ «ПРИВОД» может быть доставлена во все города Российской Федерации и страны ближнего зарубежья:
- Автотранспортом
- Железнодорожным транспортом
- Авиатранспортом
- Экспресс-доставка сборными видами транспорта (смешанные перевозки)
Транспортная компания
Мы работаем с основными транспортными компаниями. Самостоятельно договоримся о доставке и страховании груза, сэкономив время и деньги клиента.
Доставка может быть оформлена как до дверей заказчика, так и до терминала компании в городе заказчика.
Самовывоз
Если у вас есть возможность самостоятельно забрать продукцию, то мы будем рады помочь вам оформить самовывоз. Ваш заказ будет ждать вас по адресу: г. Пенза, ул. Бийская 1Г, в рабочие дни с 13:00 до 17:00 часов (с 8.00 до 12.00 часов по предварительному согласованию).
Заказ отдельной машины
В случае крупногабаритного заказа или особой срочности доставки мы организуем поиск отдельной машины.










