Условное обозначение:
1. Модель редуктора (R-исполнение на лапах, RF-исполнение на фланце).
2. Габарит редуктора (17,37,47,57,67,77,87,97,107, 137, 147, 167).
3. Передаточное число.
4. Число оборотов выходного вала, об/мин.
5. Мощность электродвигателя, кВт.
6. Наличие электромагнитного тормоза у электродвигателя,
(Е- одинарный тормоз, ЕЕ- двойной тормоз,
Е(МШ)- одинарный малошумный тормоз,
ЕЕ(МШ)- двойной малошумный тормоз).
7. Тип фланца электродвигателя (В5;В14).
8. Монтажная позиция редуктора (M1, M2, M3, M4, M5, M6).
9.
Дополнительные опции.
Вес редукторной части: 13кг
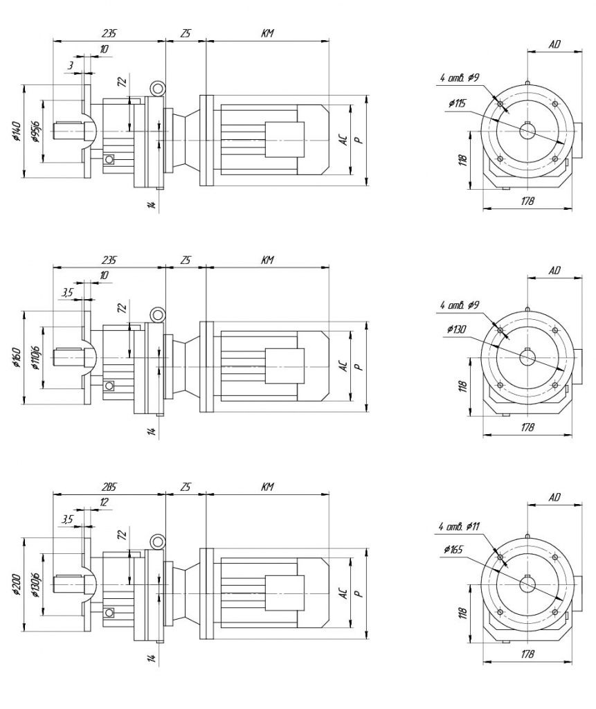
Габаритные и присоединительные размеры:
UD-R47...

|
UD-R47
|
Исполнение 1
|
Исполнение 2
|
Исполнение 3
|
Исполнение 4
|
|
Р, мм
|
140
|
160
|
200
|
250
|
|
Z5*, мм
|
50
|
55
|
70
|
80
|
|
KM, мм
|
в зависимости от смонтированного двигателя
|
|
АС, мм
|
в зависимости от смонтированного двигателя
|
|
AD, мм
|
в зависимости от смонтированного двигателя
|
Z5*- указанный размер ориентировочный и может отличаться от действительного.
UD-R47F...
|
UD-R47
|
Исполнение 1
|
Исполнение 2
|
Исполнение 3
|
Исполнение 4
|
|
Р, мм
|
140
|
160
|
200
|
250
|
|
Z5*, мм
|
50
|
55
|
70
|
80
|
|
KM, мм
|
в зависимости от смонтированного двигателя
|
|
АС, мм
|
в зависимости от смонтированного двигателя
|
|
AD, мм
|
в зависимости от смонтированного двигателя
|
Z5*- указанный размер ориентировочный и может отличаться от действительного.
UD-RF47...
|
UD-R47
|
Исполнение 1
|
Исполнение 2
|
Исполнение 3
|
Исполнение 4
|
|
Р, мм
|
140
|
160
|
200
|
250
|
|
Z5*, мм
|
50
|
55
|
70
|
80
|
|
KM, мм
|
в зависимости от смонтированного двигателя
|
|
АС, мм
|
в зависимости от смонтированного двигателя
|
|
AD, мм
|
в зависимости от смонтированного двигателя
|
Z5*- указанный размер ориентировочный и может отличаться от действительного.
Цельный выходной вал

Таблица подбора редуктора
|
Мощность, кВт
|
Частота вращения выходного вала, об/мин
|
Передаточное число
|
Крутящий момент, Нм
|
Допустимая радиальная нагрузка, Н
|
Сервис- фактор
|
Частота вращения эл.двигателя
|
|
Трехступенчатые
|
|
0,18
|
7,9
|
176,88
|
230
|
5740
|
1,3
|
1400
|
|
8,6
|
162,94
|
210
|
5810
|
1,4
|
|
10
|
139,99
|
182
|
5910
|
1,65
|
|
11
|
121,87
|
159
|
5980
|
1,9
|
|
12
|
114,17
|
149
|
6000
|
2
|
|
14
|
100,86
|
131
|
6040
|
2,3
|
|
15
|
93,68
|
122
|
6060
|
2,5
|
|
16
|
84,9
|
111
|
6080
|
2,7
|
|
18
|
76,23
|
99
|
6100
|
3
|
|
Трехступенчатые
|
|
0,25
|
7,9
|
176,88
|
292
|
5280
|
0,97
|
1400
|
|
8,6
|
162,94
|
269
|
5420
|
1,05
|
|
10
|
139,99
|
231
|
5630
|
1,22
|
|
11
|
121,87
|
201
|
5770
|
1,4
|
|
12
|
114,17
|
188
|
5820
|
1,5
|
|
14
|
100,86
|
166
|
5900
|
1,7
|
|
15
|
93,68
|
154
|
5940
|
1,83
|
|
16
|
84,9
|
140
|
5980
|
2
|
|
18
|
76,23
|
126
|
6020
|
2,2
|
|
20
|
68,54
|
113
|
6050
|
2,5
|
|
22
|
64,21
|
106
|
6070
|
2,7
|
|
25
|
56,73
|
94
|
6090
|
3
|
|
26
|
52,69
|
87
|
6100
|
3,2
|
|
29
|
47,75
|
79
|
6080
|
3,6
|
|
Двухступенчатые
|
|
0,37
|
41
|
33,79
|
81
|
5270
|
2,8
|
1400
|
|
45
|
31,12
|
74
|
5150
|
2,8
|
|
52
|
26,74
|
64
|
4920
|
4,4
|
|
60
|
23,28
|
56
|
4720
|
5,1
|
|
64
|
21,81
|
52
|
4620
|
5,4
|
|
Трехступенчатые
|
|
0,37
|
10
|
139,99
|
335
|
3490
|
0,84
|
1400
|
|
11
|
121,87
|
291
|
5350
|
0,97
|
|
12
|
114,17
|
273
|
5460
|
1,03
|
|
14
|
100,86
|
241
|
5630
|
1,17
|
|
15
|
93,68
|
224
|
5700
|
1,26
|
|
16
|
84,9
|
203
|
5790
|
1,39
|
|
18
|
76,23
|
182
|
5870
|
1,55
|
|
20
|
68,54
|
164
|
5930
|
1,72
|
|
22
|
64,21
|
153
|
5960
|
1,84
|
|
25
|
56,73
|
136
|
6010
|
2,1
|
|
26
|
52,69
|
126
|
5990
|
2,2
|
|
29
|
47,75
|
114
|
5820
|
2,5
|
|
32
|
42,87
|
102
|
5650
|
2,8
|
|
38
|
36,93
|
88
|
5410
|
3,2
|
|
40
|
34,73
|
83
|
5310
|
3,4
|
|
Двухступенчатые
|
|
0,55
|
50
|
26,74
|
103
|
4820
|
2,9
|
1400
|
|
60
|
23,28
|
83
|
4630
|
3,4
|
|
64
|
21,81
|
77
|
4550
|
3,6
|
|
Трехступенчатые
|
|
0,55
|
15
|
93,68
|
333
|
3280
|
0,85
|
1400
|
|
16
|
84,9
|
302
|
5230
|
0,94
|
|
18
|
76,23
|
271
|
5450
|
1,04
|
|
20
|
68,54
|
243
|
5600
|
1,16
|
|
22
|
64,21
|
228
|
5670
|
1,24
|
|
25
|
56,73
|
202
|
5790
|
1,4
|
|
26
|
52,69
|
187
|
5770
|
1,51
|
|
29
|
47,75
|
170
|
5630
|
1,66
|
|
32
|
42,87
|
152
|
5470
|
1,85
|
|
38
|
36,93
|
131
|
5260
|
2,1
|
|
40
|
34,73
|
123
|
5180
|
2,3
|
|
47
|
29,88
|
106
|
4970
|
2,7
|
|
Двухступенчатые
|
|
0,75
|
52
|
26,74
|
130
|
4660
|
2,2
|
1400
|
|
60
|
23,28
|
113
|
4490
|
2,5
|
|
64
|
21,81
|
106
|
4420
|
2,7
|
|
72
|
19,27
|
93
|
4270
|
3
|
|
78
|
17,89
|
87
|
4180
|
3,1
|
|
86
|
16,22
|
79
|
4070
|
3,3
|
|
Трехступенчатые
|
|
0,75
|
20
|
68,54
|
332
|
3660
|
0,85
|
1400
|
|
22
|
64,21
|
311
|
4950
|
0,91
|
|
25
|
56,73
|
275
|
5450
|
1,03
|
|
26
|
52,69
|
255
|
5480
|
1,1
|
|
29
|
47,75
|
231
|
5370
|
1,22
|
|
32
|
42,87
|
208
|
5240
|
1,36
|
|
38
|
36,93
|
179
|
5060
|
1,58
|
|
40
|
34,73
|
168
|
4980
|
1,68
|
|
47
|
29,88
|
145
|
4800
|
1,95
|
|
52
|
26,74
|
129
|
4660
|
2,2
|
|
59
|
23,59
|
114
|
4510
|
2,5
|
|
Двухступенчатые
|
|
1,1
|
60
|
23,28
|
175
|
4270
|
1,7
|
1400
|
|
64
|
21,81
|
154
|
4210
|
1,83
|
|
73
|
19,27
|
136
|
4080
|
2
|
|
78
|
17,89
|
126
|
4010
|
2,2
|
|
86
|
16,22
|
114
|
3910
|
2,3
|
|
96
|
14,56
|
103
|
3800
|
2,4
|
|
112
|
12,54
|
88
|
3650
|
2,7
|
|
119
|
11,79
|
83
|
3590
|
2,8
|
|
138
|
10,15
|
72
|
3450
|
3
|
|
154
|
9,07
|
64
|
3340
|
3,2
|
|
Трехступенчатые
|
|
1,1
|
29
|
47,75
|
350
|
3500
|
0,85
|
1400
|
|
32
|
42,87
|
301
|
4850
|
0,95
|
|
38
|
36,93
|
273
|
4720
|
1,1
|
|
40
|
34,73
|
238
|
4660
|
1,15
|
|
47
|
29,88
|
199
|
4520
|
1,35
|
|
52
|
26,74
|
177
|
4410
|
1,5
|
|
59
|
23,59
|
146
|
4290
|
1,7
|
|
Двухступенчатые
|
|
1,5
|
60
|
23,28
|
224
|
4040
|
1,26
|
1400
|
|
64
|
21,81
|
210
|
3990
|
1,34
|
|
73
|
19,27
|
185
|
3890
|
1,5
|
|
78
|
17,89
|
172
|
3830
|
1,58
|
|
86
|
16,22
|
156
|
3740
|
1,66
|
|
96
|
14,56
|
140
|
3650
|
1,8
|
|
112
|
12,54
|
121
|
3520
|
1,9
|
|
119
|
11,79
|
113
|
3470
|
2
|
|
138
|
10,15
|
98
|
3340
|
2,2
|
|
154
|
9,07
|
87
|
3240
|
2,4
|
|
175
|
8,01
|
77
|
3140
|
2,5
|
|
180
|
7,76
|
75
|
3060
|
2,1
|
|
201
|
6,96
|
67
|
2980
|
2,2
|
|
233
|
6
|
58
|
2860
|
2,5
|
|
248
|
5,64
|
54
|
2810
|
2,7
|
|
289
|
4,85
|
47
|
2700
|
3
|
|
323
|
4,34
|
42
|
2610
|
3,3
|
|
366
|
3,83
|
37
|
2520
|
3,7
|
|
Трехступенчатые
|
|
1,5
|
38
|
36,93
|
355
|
2380
|
0,8
|
1400
|
|
40
|
34,73
|
334
|
3840
|
0,84
|
|
47
|
29,88
|
287
|
4220
|
0,98
|
|
52
|
26,74
|
257
|
4140
|
1,1
|
|
59
|
23,59
|
227
|
4050
|
1,2
|
|
Двухступенчатые
|
|
2,2
|
73
|
19,27
|
268
|
3550
|
1,03
|
1400
|
|
86
|
16,22
|
226
|
3460
|
1,15
|
|
96
|
14,56
|
203
|
3400
|
1,23
|
|
112
|
12,54
|
174
|
3310
|
1,35
|
|
119
|
11,79
|
164
|
3270
|
1,4
|
|
138
|
10,15
|
141
|
3160
|
1,53
|
|
154
|
9,07
|
126
|
3090
|
1,64
|
|
175
|
8,01
|
111
|
3000
|
1,73
|
|
180
|
7,76
|
108
|
2910
|
1,42
|
|
201
|
6,96
|
97
|
2840
|
1,54
|
|
233
|
6
|
83
|
2740
|
1,76
|
|
248
|
5,64
|
78
|
2700
|
1,86
|
|
289
|
4,85
|
67
|
2600
|
2,1
|
|
323
|
4,34
|
60
|
2530
|
2,3
|
|
366
|
3,83
|
53
|
2440
|
2,5
|
|
117
|
23,28
|
179
|
3280
|
1,7
|
2870
|
|
125
|
21,81
|
168
|
3230
|
1,8
|
|
142
|
19,27
|
148
|
3150
|
2
|
|
153
|
17,89
|
138
|
3100
|
2,1
|
|
168
|
16,22
|
125
|
3030
|
2,2
|
|
187
|
14,56
|
112
|
2950
|
2,4
|
|
218
|
12,54
|
97
|
2850
|
2,6
|
|
231
|
11,79
|
91
|
2800
|
2,7
|
|
269
|
10,15
|
78
|
2700
|
2,9
|
|
301
|
9,07
|
70
|
2620
|
3,2
|
|
341
|
8,01
|
62
|
2530
|
3,3
|
|
Двухступенчатые
|
|
3
|
86
|
16,22
|
308
|
2030
|
0,84
|
1400
|
|
96
|
14,56
|
276
|
2500
|
0,9
|
|
112
|
12,54
|
238
|
3040
|
0,99
|
|
119
|
11,79
|
224
|
3040
|
1,03
|
|
138
|
10,15
|
192
|
2970
|
1,12
|
|
154
|
9,07
|
172
|
2910
|
1,2
|
|
175
|
8,01
|
152
|
2840
|
1,27
|
|
180
|
7,76
|
147
|
2740
|
1,04
|
|
201
|
6,96
|
132
|
2680
|
1,13
|
|
233
|
6
|
114
|
2610
|
1,29
|
|
248
|
5,64
|
107
|
2580
|
1,36
|
|
289
|
4,85
|
92
|
2490
|
1,53
|
|
323
|
4,34
|
82
|
2430
|
1,67
|
|
366
|
3,83
|
73
|
2360
|
1,86
|
|
237
|
11,79
|
121
|
2670
|
2
|
2870
|
|
270
|
10,15
|
104
|
2580
|
2,2
|
|
309
|
9,07
|
93
|
2510
|
2,4
|
|
349
|
8,01
|
82
|
2430
|
2,5
|
|
361
|
7,76
|
79
|
2370
|
2,1
|
|
402
|
6,96
|
71
|
2310
|
2,2
|
|
467
|
6
|
61
|
2220
|
2,5
|
|
496
|
5,64
|
58
|
2190
|
2,7
|
|
577
|
4,85
|
50
|
2100
|
3
|
|
646
|
4,34
|
44
|
2040
|
3,3
|
|
731
|
3,83
|
39
|
1970
|
3,7
|
|
Двухступенчатые
|
|
4
|
138
|
10,15
|
253
|
1960
|
0,85
|
1400
|
|
154
|
9,07
|
226
|
2350
|
0,91
|
|
175
|
8,01
|
200
|
2640
|
0,96
|
|
201
|
6,96
|
174
|
2480
|
0,86
|
|
233
|
6
|
150
|
2430
|
0,98
|
|
248
|
5,64
|
141
|
2410
|
1,04
|
|
289
|
4,85
|
121
|
2350
|
1,17
|
|
323
|
4,34
|
108
|
2300
|
1,27
|
|
366
|
3,83
|
96
|
2250
|
1,42
|
|
176
|
16,22
|
215
|
2640
|
1,25
|
2870
|
|
196
|
14,56
|
195
|
2600
|
1,35
|
|
228
|
12,54
|
168
|
2540
|
1,5
|
|
242
|
11,79
|
158
|
2510
|
1,55
|
|
282
|
10,15
|
136
|
2440
|
1,7
|
|
315
|
9,07
|
121
|
2390
|
1,8
|
|
357
|
8,01
|
107
|
2320
|
1,9
|
|
369
|
7,76
|
104
|
2250
|
1,55
|
|
411
|
6,96
|
93
|
2200
|
1,7
|
|
477
|
6
|
80
|
2130
|
1,95
|
|
507
|
5,64
|
75
|
2100
|
2,1
|
|
589
|
4,85
|
65
|
2020
|
2,3
|
|
660
|
4,34
|
58
|
1970
|
2,5
|
|
746
|
3,83
|
51
|
1910
|
2,8
|
|
Двухступенчатые
|
|
5,5
|
289
|
4,85
|
166
|
1870
|
0,85
|
1400
|
|
323
|
4,34
|
149
|
2110
|
0,92
|
|
366
|
3,83
|
131
|
2080
|
1,03
|
|
230
|
12,54
|
230
|
1730
|
1,1
|
2870
|
|
244
|
11,79
|
215
|
1910
|
1,15
|
|
284
|
10,15
|
185
|
2250
|
1,25
|
|
318
|
9,07
|
165
|
2220
|
1,35
|
|
359
|
8,01
|
146
|
2170
|
1,4
|
|
480
|
6
|
109
|
2000
|
1,45
|
|
511
|
5,64
|
103
|
1970
|
1,5
|
|
593
|
4,85
|
89
|
1920
|
1,7
|
|
664
|
4,34
|
79
|
1870
|
1,85
|
|
752
|
3,83
|
70
|
1820
|
2,1
|
Монтажное положение: