Редукторы червячные двухступенчатые серии Ч2 являются приводами общего назначения и предназначены для увеличения крутящего момента и уменьшения частоты вращения различных машин и механизмов.
Двухступенчатые редукторы Ч2 (Ч2-80/125) | Волгоград
Цена по запросу
 Ч2-80/125
																		Ч2-80/125
									
								Характеристики
Условное обозначение

1. Модель редуктора.
2. Габарит редуктора I ступени.
3. Габарит редуктора 2 ступени.
4. Передаточное число.
5. Вариант сборки.
6. Исполнение по схеме расположения червячной пары.
7. Исполнение валов, Цвх/Квых (вх- входной вал, вых- выходной вал),
(Ц- цилиндрический вал,
К - конический вал, К2- конический вал с наружней резьбой,
Пшл- полый шлицевой вал,
Пшп- полый вал со шпоночным пазом).
Вес редуктора: 111 кг
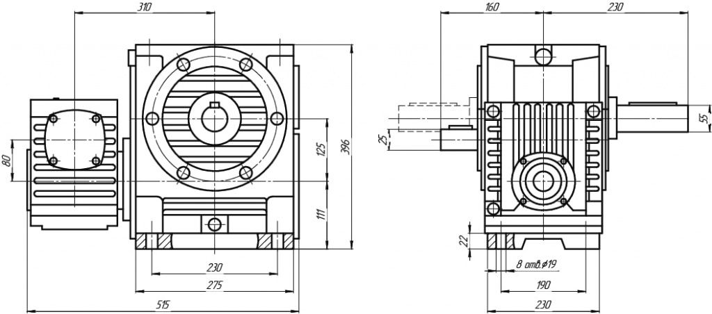
Габаритные и присоединительные размеры
Исполнение валов
 
 Входной конический вал с внутренней резьбой                         Выходной конический вал с внутренней резьбой          
 
        
Входной конический вал с наружной резьбой Выходной конический вал с наружной резьбой
 
     
Входной цилиндрический вал с внутренней резьбой Выходной цилиндрический вал с внутренней резьбой
 
               
Выходной полый вал со шпоночным пазом

Варианты сборки
С валами под элементы привода С полыми выходными валами
Вариант исполнение по схеме расположения червячной пары

 
			 
                     
             
                     
                     
                     
                     
                     
                     
					 
													 
													 
													 
												
													
							
											 
																						 
																						 
																						 
																						 
																						

