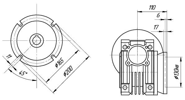
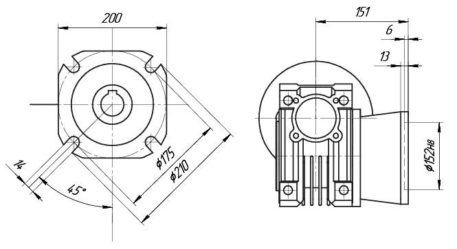
Червячные одноступенчатые редукторы UD-RV — компактное и надёжное решение для привода: они преобразуют высокую скорость двигателя в меньшую выходную, одновременно повышая крутящий момент. Рабочие элементы выполняют из бронзы и стали, а корпуса типоразмеров 025–090 изготавливают из алюминиевого сплава. Линейка UD-RV относится к серии RV и представлена в двух версиях — NRV и NMRV. Доступен широкий диапазон передаточных чисел до 10 000:1, а мощность электродвигателя — от 0,06 до 15 кВт. Монтаж удобен даже в стеснённых условиях: предусмотрены крепёжные отверстия с пяти сторон. Сальники, подшипники и смазочные материалы выполнены из качественных компонентов, а поверхность корпуса защищена от коррозии.
Редукторы UD-RV отличаются минимальным люфтом за счёт малого зазора между зубьями шестерни и витками червяка, что обеспечивает низкий уровень шума и эффективный теплоотвод. Это удачный выбор для задач, где требуется надёжно снизить скорость на выходе при сохранении компактных габаритов. Благодаря небольшим размерам редукторы UD-RV легко интегрируются в различные инженерные решения и подходят для установки там, где пространство ограничено.

















FD


