Получить исчерпывающую информацию по необходимым характеристикам и модернизации редуктора РЧН, а также оформить заказ можно по телефонам указанных на сайте. Широкий ассортимент продукции позволяет подобрать редуктор под конкретные цели без посредников.
Червячные одноступенчатые редукторы РЧН/РЧП (РЧН-180) | Верхняя Пышма
Получить исчерпывающую информацию по необходимым характеристикам и модернизации редуктора РЧН, а также оформить заказ можно по телефонам указанных на сайте. Широкий ассортимент продукции позволяет подобрать редуктор под конкретные цели без посредников.
Цена по запросу
РЧН-180
Технические характеристики
Условное обозначение
%20180%20Условное%20обозначение.png)
1. Модель редуктора
(РЧН - вал червячный над червячным колесом,
РЧП - вал червячный под червячным колесом).
2. Габарит редуктора.
3. Передаточное число.
4. Вариант сборки.
5. С вентилятором.
Вес редуктора: 177 кг
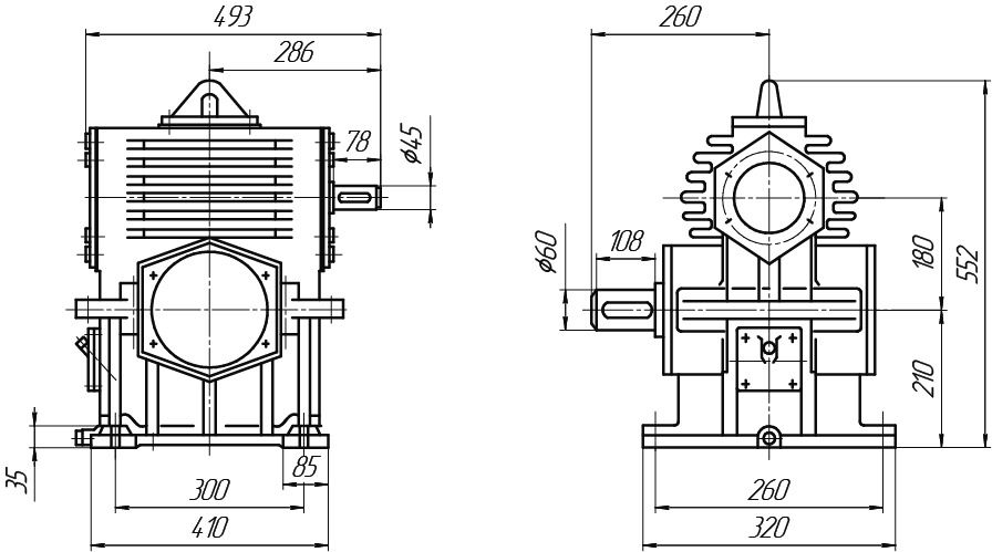
Габаритные и присоединительные размеры
Размеры валов
Входной цилиндрический вал Выходной цилиндрический вал
Таблица подбора редуктора
| Типоразмер редуктора | Передаточ-ное число | Номинальная мощность на быстроходном валу, кВт, при об/мин | Номинальный крутящий момент на тихоходном валу, Н.м | Номинальная радиальная консольная нагрузка, приложенная в середине посадочной пов-ти тихоходного вала, кгс | КПД | Вес | ||
| 750 | 1000 | 1500 | ||||||
|
РЧН-180 РЧП-180 |
12,33 | - | 11 | 8,9 | 1250 | 1070 | 0,89 | 177 |
| 18,5 | 8,1 | 5,9 | 1450 | 0,86 | ||||
| 37 | 5,16 | 4,7 | 1500 | 0,78 | ||||
| 51 | 3,68 | 3,3 | 1600 | 0,74 | ||||
Варианты сборки

Редукторы РЧН-180, РЧП-180 предназначены для применения в приводах различного оборудования общего машиностроения. В частности – в крановых механизмах, подъёмниках и транспортёрах.
Конструкция редукторов РЧН-180, РЧП-180 представляет собой одноступенчатую червячную передачу, состоящую из архимедова червяка с правым направлением винтовой линии и червячного колеса. В РЧН-180 расположение червяка верхнее – над червячным колесом. РЧП-180 отличается нижним расположением червяка (под колесом). Червячная пара установлена на подшипниках 7310 и смонтирована в чугунном корпусе, имеющем горизонтальную линию разъёма.
Условия применения редукторов типа РЧН-180, РЧП-180:
- нагрузка как постоянная, так и переменная;
- вращение валов допускает реверсивную работу;
- режим работы постоянный и с перерывами;
- вращение в любую сторону;
- рабочая температура от -400С до +500С;
- рабочая зона - неагрессивная, взрывобезопасная.
Материальное исполнение редукторов РЧН-180, РЧП-180
Зубчатый венец червячного колеса изготовлен из бронзы БрАЖ 9-4, червяк – из Стали 45 или Стали 20Х. Термообработкой твёрдость червячного вала, изготовленного из Стали 45, повышается до HRC 45 – 50, а из Стали 20Х – до HRC 56-60.
Продукция ООО «ПТЦ «ПРИВОД» может быть доставлена во все города Российской Федерации и страны ближнего зарубежья:
- Автотранспортом
- Железнодорожным транспортом
- Авиатранспортом
- Экспресс-доставка сборными видами транспорта (смешанные перевозки)
Транспортная компания
Мы работаем с основными транспортными компаниями. Самостоятельно договоримся о доставке и страховании груза, сэкономив время и деньги клиента.
Доставка может быть оформлена как до дверей заказчика, так и до терминала компании в городе заказчика.
Самовывоз
Если у вас есть возможность самостоятельно забрать продукцию, то мы будем рады помочь вам оформить самовывоз. Ваш заказ будет ждать вас по адресу: г. Пенза, ул. Бийская 1Г, в рабочие дни с 13:00 до 17:00 часов (с 8.00 до 12.00 часов по предварительному согласованию).
Заказ отдельной машины
В случае крупногабаритного заказа или особой срочности доставки мы организуем поиск отдельной машины.

