Цилиндрические горизонтальные двухступенчатые редукторы с зацеплением Новикова Ц2Н (Ц2У 450,500,630,710) (Ц2Н-630) | Старый Оскол
Цена по запросу

Редукторы цилиндрические горизонтальные с передачами Новикова общемашиностроительного применения типоразмеров Ц2Н-630 широко применяют в приводах различных машин и механизмов для изменения крутящих моментов и частоты вращения. Стоимость редуктора зависит от типоразмера и методе его использования. Приобрести данный товар вы можете в кратчайшие сроки со склада производителя.
Условия эксплуатации Ц2Н 630
- работа длительная до 24 ч. в сутки или с периодическими остановками;
- работа в непрерывном и повторно-кратковременном режимах, т. е. при переменных нагрузках с периодическими остановками;
- нагрузка одного направления и реверсивная;
- вращение валов в любую сторону;
- неагрессивная среда, атмосфера типов I и II по ГОСТ 15150 при запыленности воздуха не более 10 мг/м3;
- климатические исполнения - У1, У2, УЗ, УХЛ-4, Т1, Т2, ТЗ и О4 по ГОСТ 15150-69.
Характеристики
Условное обозначение:
%20630%20условное%20обозначение.png)
1. Модель редуктора.
2. Габарит редуктора.
3. Передаточное число.
4. Вариант сборки.
5. Исполнение валов, Цвх/Квых (вх- входной вал, вых- выходной вал),
(Ц - цилиндрический вал,
К - конический вал,
М- вал в виде части зубчатой муфты).
Вес редуктора: 3680 кг
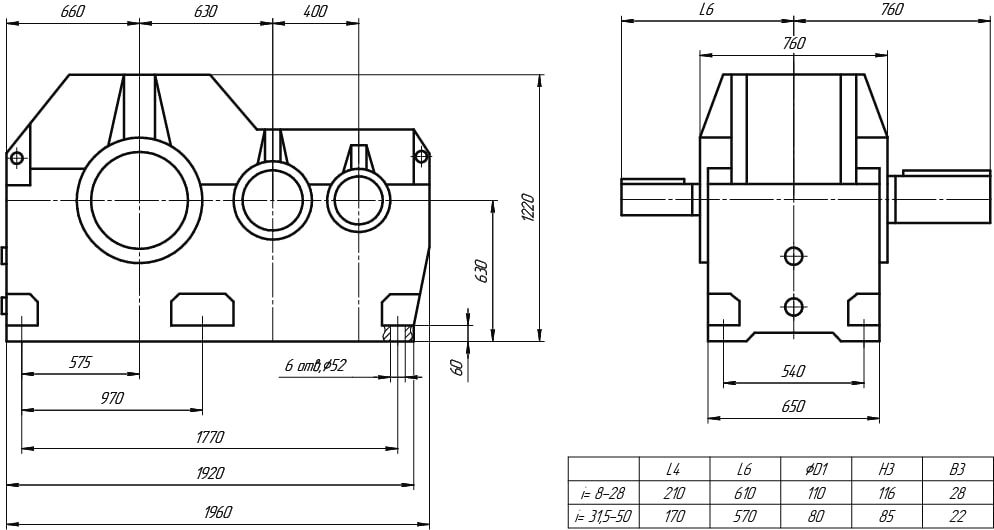
Габаритные и присоединительные размеры

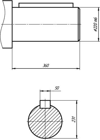
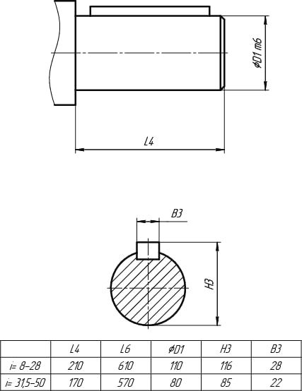
Размеры валов
Входной цилиндрический вал Выходной цилиндрический вал
Выходной вал в виде зубчатой полумуфты Выходной вал для присоединения приборов и автоматики
Таблица подбора редуктора
Типоразмер редуктора | редуктор Ц2Н 630 | ||||||||||||||||||
Номинальное передаточное отношение редуктора, i | 8.0 | 9.0 | 10.0 | 11.2 | 12.5 | 14.0 | 16.0 | 18.0 | 20.0 | 22.4 | 25.0 | 28.0 | 31.5 | 35.5 | 40.0 | 45.0 | 50.0 | ||
Номинальный крутящий момент на тихоходном валу, Т, Нм | 71000 | 75000 | 71000 | ||||||||||||||||
Номинальная частота вращения быстроходного вала, с -1 (об/мин) | 12,5 (750) | 16,(6) (1000) | 25 (1500) | ||||||||||||||||
Номинальная радиальная консольная нагрузка, приложенная в середине посадочной поверхности выходного конца вала, Н | быстроходного F1, | 10000 | 8000 | 6200 | 5200 | 4800 | |||||||||||||
Тихоходного F2 | цилиндрический конец вала | 66500 | 68500 | 66500 | |||||||||||||||
конец вала в виде части зубчатой полумуфты | 79800 | 82200 | 79800 | ||||||||||||||||
Коэффициент полезного действия, % | 97 | ||||||||||||||||||
Масса, кг, не более | 3691 |
Варианты сборки
Основные Для подключения приборов и автоматики
