Цилиндрические горизонтальные двухступенчатые редукторы с зацеплением Новикова Ц2Н (Ц2У 450,500,630,710) (Ц2Н-710) | Нижневартовск
Цена по запросу

Редукторы Ц2Н-710 цилиндрические горизонтальные с передачами Новикова общемашиностроительного применения используются в приводах машин и механизмов для изменения крутящих моментов и частоты вращения. Цена зависит от типоразмера и методе использования - уточняйте стоимость у менеджеров. Приобрести данный товар возможно напрямую со склада с доставкой по России и СНГ в кратчайшие сроки.
Условия эксплуатации Ц2Н 710
- работа длительная до 24 ч. в сутки или с периодическими остановками;
- работа в непрерывном и повторно-кратковременном режимах, т. е. при переменных нагрузках с периодическими остановками;
- нагрузка одного направления и реверсивная;
- вращение валов в любую сторону;
- не агрессивная среда, атмосфера типов I и II по ГОСТ 15150 при запыленности воздуха не более 10 мг/м3;
- климатические исполнения - У1, У2, УЗ, УХЛ-4, Т1, Т2, ТЗ и О4 по ГОСТ 15150-69.
Вы всегда можете купить редукторы Ц2Н-710 высокого качества от производителя по низкой цене, обратившись в нашу компанию по телефону 8 (800) 2000-220 или через форму "Подбора".
Характеристики
Условное обозначение:
%20710%20условное%20обозначение.png)
1. Модель редуктора.
2. Габарит редуктора.
3. Передаточное число.
4. Вариант сборки.
5. Исполнение валов, Цвх/Квых (вх- входной вал, вых- выходной вал),
(Ц - цилиндрический вал,
К - конический вал,
М- вал в виде части зубчатой муфты).
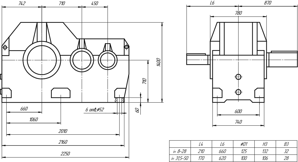
Вес редуктора: 4920 кг
Габаритные и присоединительные размеры

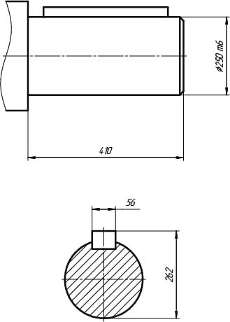
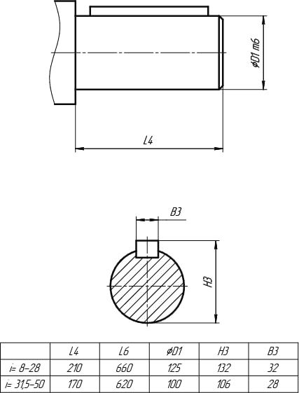
Размеры валов
Входной цилиндрический вал Выходной цилиндрический вал
Выходной вал в виде зубчатой полумуфты Выходной вал для присоединения приборов и автоматики
Таблица подбора редуктора
Типоразмер редуктора | редуктор Ц2Н 710 | ||||||||||||||||||||||
Номинальное передаточное отношение редуктора, i | 8.0 | 9.0 | 10.0 | 11.2 | 12.5 | 14.0 | 16.0 | 18.0 | 20.0 | 22.4 | 25.0 | 28.0 | 31.5 | 35.5 | 40.0 | 45.0 | 50.0 | ||||||
Номинальный крутящий момент на тихоходном валу, Т, Н*м | 100000 | 71000 | |||||||||||||||||||||
Номинальная частота вращения быстроходного вала, с -1 (об/мин) | 12,5(750) | 16,(6) (1000) | 20,83 (1250) | 25 (1500) | |||||||||||||||||||
Номинальная радиальная консольная нагрузка, приложенная в середине посадочной поверхности выходного конца вала, Н | быстроходного F1, | 13000 | 12000 | 10000 | 9000 | 8000 | 7000 | 6300 | 5800 | ||||||||||||||
Тихоходного F2 | цилиндрический конец вала | 79000 | |||||||||||||||||||||
конец вала в виде части зубчатой полумуфты | 98000 | ||||||||||||||||||||||
Коэффициент полезного действия, % | 97 | ||||||||||||||||||||||
Масса, кг, не более | 4920 |
Варианты сборки
Основные Для подключения приборов и автоматики
