Редуктор В-400 вертикальный цилиндрический трехступенчатый предназначен для использования в подъемно-транспортном оборудовании в качестве привода механизмов передвижения крановых тележек и кранов, а также в качестве привода общего назначения. ООО ПТЦ ПРИВОД осуществляет поставки в любой регион России и СНГ удобным видом транспорта. По вопросам заказа и уточнения цены, а также ремонта, модернизации редуктора вертикальный цилиндрический трехступенчатый можно обращаться к менеджерам по тел. 8 (800) 2000-220 или на эл. почту privod58@gmail.com.
Цилиндрические вертикальные крановые редукторы В-400 | Краснодар
Цена по запросу
Условия применения редуктора В-400 (B-400) цилиндрического трехступенчатого вертикального с эвольвентными зубчатыми передачами:
- работа длительная или с периодическими остановками;
- вращение валов в любую сторону;
- нагрузка постоянная и переменная по значению;
- одного направления и реверсивная;
- частота вращения входного вала не должна превышать 1800 об/мин.;
- атмосфера типов I и II по ГОСТ 15150-69 при запыленности воздуха не более 10 мг/м3;
- климатические исполнения: У, Т (для категорий размещения 1...3) и климатические исполнения УХЛ и О (для категории размещения 4) по ГОСТ 15150-69.
Технические характеристики
Условное обозначение

1. Модель редуктора.
2. Габарит редуктора.
3. Фактическое передаточное число.
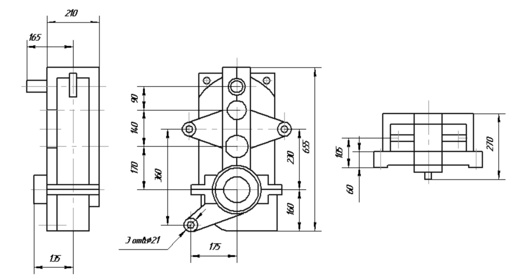
Габаритные и присоединительные размеры
Размеры концов входных и выходных валов
| Вал | l | d m6 | t | b |
| входной | 53 | 34 | 37 | 10 |
| выходной | 50 | 85 | 90 | 25 |
Таблица подбора редуктора
| Номинальное передаточное отношение, i | 18 | 20 | 28 | 40 | 50 | ||
| Номинальный крутящий момент на тихоходном валу, Т, Нxм; при номинальной частоте вращения быстроходного. вала, с-1 (об/мин) | 10 (600) | Легкий (Л) | 3400 | 3500 | 3800 | ||
| Средний (С) | 1800 | 2000 | 2350 | ||||
| Тяжелый (Т) | 1400 | 1550 | |||||
| Весьма тяжелый (ВТ) | 1300 | 1400 | 1550 | ||||
| 12,5 (750) | Легкий (Л) | 3200 | 3300 | 3650 | |||
| Средний (С) | 1600 | 1700 | 1800 | 2100 | |||
| Тяжелый (Т) | 1200 | 1300 | 1450 | ||||
| Весьма тяжелый (ВТ) | 1100 | 1200 | 1350 | ||||
| 16,6 (1000) | Легкий (Л) | 3150 | 3850 | ||||
| Средний (С) | 1400 | 1600 | 1750 | ||||
| Тяжелый (Т) | 1100 | 1200 | 1350 | ||||
| Масса редуктора В-400, кг | Весьма тяжелый (ВТ) | 1000 | 1100 | 1250 | |||
| 106 | |||||||
Продукция ООО «ПТЦ «ПРИВОД» может быть доставлена во все города Российской Федерации и страны ближнего зарубежья:
- Автотранспортом
- Железнодорожным транспортом
- Авиатранспортом
- Экспресс-доставка сборными видами транспорта (смешанные перевозки)
Транспортная компания
Мы работаем с основными транспортными компаниями. Самостоятельно договоримся о доставке и страховании груза, сэкономив время и деньги клиента.
Доставка может быть оформлена как до дверей заказчика, так и до терминала компании в городе заказчика.
Самовывоз
Если у вас есть возможность самостоятельно забрать продукцию, то мы будем рады помочь вам оформить самовывоз. Ваш заказ будет ждать вас по адресу: г. Пенза, ул. Бийская 1Г, в рабочие дни с 13:00 до 17:00 часов (с 8.00 до 12.00 часов по предварительному согласованию).
Заказ отдельной машины
В случае крупногабаритного заказа или особой срочности доставки мы организуем поиск отдельной машины.

