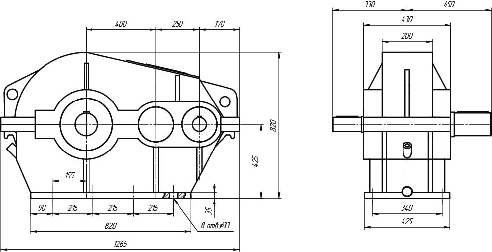
Редукторы цилиндрические двухступенчатые горизонтальные с передачами Новикова, тип ЦДНД-315, ЦДНД-400 используются в приводах различных машин и механизмов, применяемых в угольной промышленности, для изменения крутящих моментов и частоты вращения.
Условия эксплуатации
- Работа длительная до 24 часов в сутки или с периодическими остановками;
- Работа в непрерывном и повторно-кратковременном режимах, т.е. при переменных нагрузках с периодическими остановками, нагрузка одного направления и реверсивная;
- Вращение валов в любую сторону;
- Не агрессивная среда, атмосфера типов I и II по ГОСТ 15150 при запыленности воздуха не более 10мг/м3;
- Климатические исполнения – У1, У2, У3, УХЛ-4, Т1, Т2, Т3 и О4 по ГОСТ 15150.

